Toyota Camry owners & service manuals

Toyota Camry (XV70): Mirror Heater does not Operate with Rear Defogger Switch

Toyota Camry Repair Manual XV70 (2018-2024) / Vehicle Exterior / Mirror (ext) / Power Mirror Control System / Mirror Heater does not Operate with Rear Defogger Switch

DESCRIPTION

When the mirror heater switch (rear window defogger switch) on the air conditioning control assembly is pressed, the operation signal is sent to the air conditioning amplifier assembly via LIN communication. When the air conditioning amplifier assembly receives the signal, it turns on the DEF relay to operate the mirror heaters.

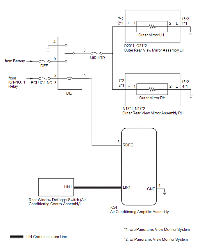
WIRING DIAGRAM

CAUTION / NOTICE / HINT

NOTICE:

  • The power mirror control system uses the LIN communication system. Inspect the communication functions by following How to Proceed with Troubleshooting. Troubleshoot the power mirror control system after confirming that the communication systems are functioning properly.
  • Inspect the fuses for circuits related to this system before performing the following procedure.
  • If the battery voltage is low, the mirror heater function may not operate. In this case, check the Data List item "Battery Control Count (Body ECU)".

    Click here

PROCEDURE

1.

PERFORM ACTIVE TEST USING TECHSTREAM

(a) Connect the Techstream to the DLC3.

(b) Turn the ignition switch to ON.

(c) Turn the Techstream on.

(d) Enter the following menus: Body Electrical / Air Conditioner / Active Test.

(e) Perform the Active Test according to the display on the Techstream.

Body Electrical > Air Conditioner > Active Test

Tester Display

Measurement Item

Control Range

Diagnostic Note

Defogger Relay (Rear)

Mirror Heater

OFF or ON

-

Body Electrical > Air Conditioner > Active Test

Tester Display

Defogger Relay (Rear)

Result

Proceed to

Mirror heater operation on both mirrors is not normal

A

Mirror heater operation on RH side mirror is not normal

B

Mirror heater operation on LH side mirror is not normal

C

B

GO TO STEP 4

C

GO TO STEP 6

A

2.

CHECK WINDOW DEFOGGER SYSTEM

(a) Check the window defogger system operation.

Click here

OK:

The window defogger system operates normally.

NG

GO TO WINDOW DEFOGGER SYSTEM

OK

3.

CHECK HARNESS AND CONNECTOR (DEF RELAY - OUTER REAR VIEW MIRROR ASSEMBLY RH/LH - BODY GROUND)

(a) Remove the DEF relay from the engine room relay block and junction block assembly.

(b) Disconnect the N18*1 or N17*2 outer rear view mirror assembly RH connector.

(c) Disconnect the O20*1 or O21*2 outer rear view mirror assembly LH connector.

(d) Measure the resistance according to the value(s) in the table below.

Standard Resistance:

Tester Connection

Condition

Specified Condition

DEF relay holder terminal-3 - O20-2 (+)*1 or O21-7 (+)*2

Always

Below 1 Ω

DEF relay holder terminal-3 - N18-2 (+)*1 or N17-7 (+)*2

Always

Below 1 Ω

DEF relay holder terminal-3 - Body ground

Always

10 kΩ or higher

  • *1: w/o Panoramic View Monitor System
  • *2: w/ Panoramic View Monitor System
OK

USE SIMULATION METHOD TO CHECK

NG

REPAIR OR REPLACE HARNESS OR CONNECTOR

4.

CHECK HARNESS AND CONNECTOR (DEF RELAY - OUTER REAR VIEW MIRROR ASSEMBLY RH - BODY GROUND)

(a) Remove the DEF relay from the engine room relay block and junction block assembly.

(b) Disconnect the N18*1 or N17*2 outer rear view mirror assembly RH connector.

(c) Disconnect the O20*1 or O21*2 outer rear view mirror assembly LH connector.

(d) Measure the resistance according to the value(s) in the table below.

Standard Resistance:

Tester Connection

Condition

Specified Condition

DEF relay holder terminal-3 - N18-2 (+)*1 or N17-7 (+)*2

Always

Below 1 Ω

N18-4 (E)*1 or N17-15 (E)*2 - Body ground

Always

Below 1 Ω

N18-2 (+)*1 or N17-7 (+)*2 - Body ground

Always

10 kΩ or higher

DEF relay holder terminal-3 - Body ground

Always

10 kΩ or higher

  • *1: w/o Panoramic View Monitor System
  • *2: w/ Panoramic View Monitor System
NG

REPAIR OR REPLACE HARNESS OR CONNECTOR

OK

5.

INSPECT OUTER MIRROR RH

(a) Remove the outer mirror RH.

Click here

(b) Inspect the outer mirror RH.

Click here

OK:

Outer mirror RH is normal.

OK

REPLACE OUTER REAR VIEW MIRROR ASSEMBLY RH

NG

REPLACE OUTER MIRROR RH

6.

CHECK HARNESS AND CONNECTOR (DEF RELAY - OUTER REAR VIEW MIRROR ASSEMBLY LH - BODY GROUND)

(a) Remove the DEF relay from the engine room relay block and junction block assembly.

(b) Disconnect the O20*1 or O21*2 outer rear view mirror assembly LH connector.

(c) Disconnect the N18*1 or N17*2 outer rear view mirror assembly RH connector.

(d) Measure the resistance according to the value(s) in the table below.

Standard Resistance:

Tester Connection

Condition

Specified Condition

DEF relay holder terminal-3 - O20-2 (+)*1 or O21-7 (+)*2

Always

Below 1 Ω

O20-4 (E)*1 or O21-15 (E)*2 - Body ground

Always

Below 1 Ω

O20-2 (+)*1 or O21-7 (+)*2 - Body ground

Always

10 kΩ or higher

DEF relay holder terminal-3 - Body ground

Always

10 kΩ or higher

  • *1: w/o Panoramic View Monitor System
  • *2: w/ Panoramic View Monitor System
NG

REPAIR OR REPLACE HARNESS OR CONNECTOR

OK

7.

INSPECT OUTER MIRROR LH

(a) Remove the outer mirror LH.

Click here

(b) Inspect the outer mirror LH.

Click here

OK:

Outer mirror LH is normal.

OK

REPLACE OUTER REAR VIEW MIRROR ASSEMBLY LH

NG

REPLACE OUTER MIRROR LH

    READ NEXT:

     Sliding Roof / Convertible

     Panoramic Moon Roof System

     Precaution

    PRECAUTION PRECAUTION FOR DISCONNECTING CABLE FROM NEGATIVE BATTERY TERMINAL NOTICE: When disconnecting the cable from the negative (-) battery terminal, initialize the following systems after the

    SEE MORE:

     Back-up Battery

    ComponentsCOMPONENTS ILLUSTRATION *1 BACK-UP BATTERY *2 TRANSCEIVER COVER RemovalREMOVAL CAUTION / NOTICE / HINT The necessary procedures (adjustment, calibration, initialization, or registration) that must be performed after parts are removed and installed, or replaced duri

     Left Rear Wheel Speed Sensor Circuit Intermittent (C050C1F)

    DESCRIPTION Refer to DTC C050C12 Click here DTC No. Detection Item DTC Detection Condition Trouble Area C050C1F Left Rear Wheel Speed Sensor Circuit Intermittent The speed sensor signal is excessively noisy. The calculated change in wheel speed is more t

    © 2023-2026 Copyright www.tocamry.com