Toyota Camry (XV70): System Diagram
SYSTEM DIAGRAM
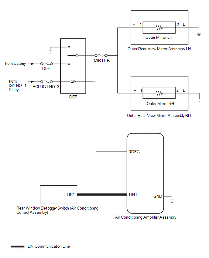
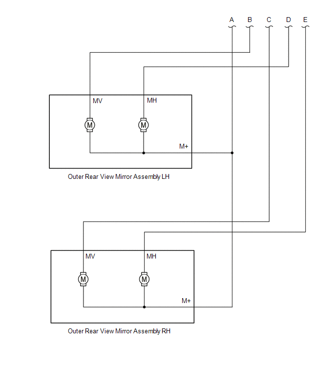
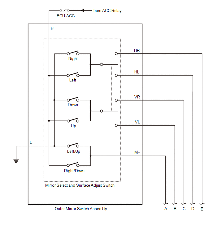
ELECTRICAL REMOTE CONTROL MIRROR FUNCTION
MIRROR HEATER FUNCTION

Communication Table
|
Sender | Receiver |
Signal | Communication Method |
|
Air Conditioning Control Assembly |
Air Conditioning Amplifier Assembly |
Mirror heater switch (rear window defogger switch) signal |
LIN |
READ NEXT:
SYSTEM DESCRIPTION POWER MIRROR CONTROL SYSTEM DESCRIPTION
(a) This system has the following functions: electrical remote control mirror function and mirror heater function.
FUNCTION OF MAIN COM
CAUTION / NOTICE / HINT
HINT:
Use the following procedure to troubleshoot the power mirror control system
*: Use the Techstream.
PROCEDURE
1. VEHICLE BROUGHT TO WORKSHOP
OPERATION CHECK CHECK ELECTRICAL REMOTE CONTROL MIRROR FUNCTION
(a) Turn the ignition switch to ON. (b) With L on the mirror select switch selected, check that the outer rear view mirror assembly L
SEE MORE:
DESCRIPTION This DTC is stored when LIN communication between the power window regulator motor assembly (for rear door RH) and main body ECU (multiplex network body ECU) stops for 10 seconds or more.
DTC No. Detection Item
DTC Detection Condition Trouble Area
B2323 Rear Door
DESCRIPTION If the tire pressure warning ECU and receiver detects any problems, the tire pressure warning light blinks for 1 minute then illuminates, and tire pressure monitoring is disabled at the same time. At this time, the ECU stores a DTC in memory.
The tire pressure warning ECU and receiver