Toyota Camry owners & service manuals

Toyota Camry (XV70): Check Bus 2 Line for Short to +B

DESCRIPTION

There may be a short circuit between one of the CAN bus lines and +B when there is no resistance between terminal 18 (CA4H) of the central gateway ECU (network gateway ECU) and terminal 16 (BAT) of the DLC3, or terminal 17 (CA4L) of the central gateway ECU (network gateway ECU) and terminal 16 (BAT) of the DLC3.

Symptom

Trouble Area

There is no resistance between terminal 18 (CA4H) of the central gateway ECU (network gateway ECU) and terminal 16 (BAT) of the DLC3, or terminal 17 (CA4L) of the central gateway ECU (network gateway ECU) and terminal 16 (BAT) of the DLC3.

  • Short to +B in CAN main bus line
  • Central gateway ECU (network gateway ECU)
  • ECM
  • No. 2 CAN junction connector
  • No. 4 CAN junction connector

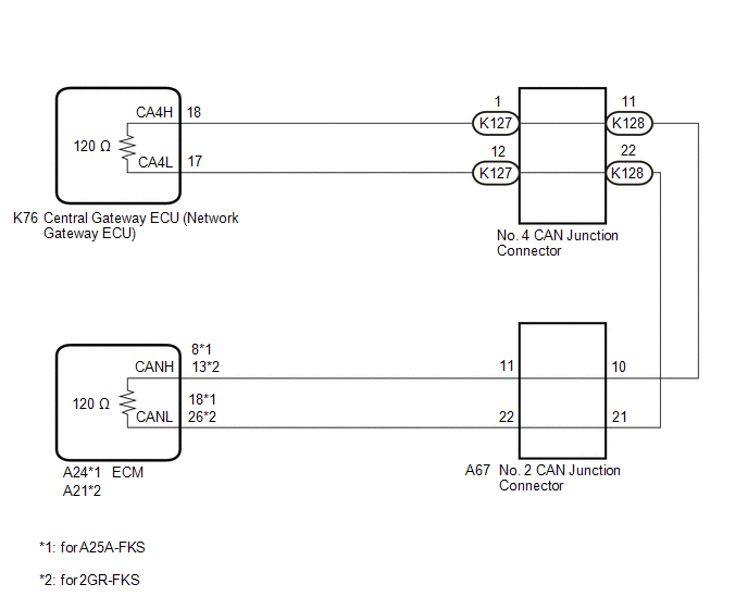
WIRING DIAGRAM

CAUTION / NOTICE / HINT

CAUTION:

When performing the confirmation driving pattern, obey all speed limits and traffic laws.

NOTICE:

  • Because the order of diagnosis is important to allow correct diagnosis, make sure to begin troubleshooting using How to Proceed with Troubleshooting when CAN communication system related DTCs are output.

    Click here

  • Before measuring the resistance of the CAN bus, turn the ignition switch off and leave the vehicle for 1 minute or more without operating the key or any switches, or opening or closing the doors. After that, disconnect the cable from the negative (-) battery terminal and leave the vehicle for 1 minute or more before measuring the resistance.
  • After turning the ignition switch off, waiting time may be required before disconnecting the cable from the negative (-) battery terminal. Therefore, make sure to read the disconnecting the cable from the negative (-) battery terminal notices before proceeding with work.

    Click here

  • After performing repairs, perform the DTC check procedure and confirm that the DTCs are not output again.

    DTC check procedure: Turn the ignition switch to ON and wait for 1 minute or more. Then operate the suspected malfunctioning system and drive the vehicle at 60 km/h (37 mph) or more for 5 minutes or more.

  • After the repair, perform the CAN bus check and check that all the ECUs and sensors connected to the CAN communication system are displayed as normal.

    Click here

HINT:

  • Before disconnecting related connectors for inspection, push in on each connector body to check that the connector is not loose or disconnected.
  • When a connector is disconnected, check that the terminals and connector body are not cracked, deformed or corroded.

PROCEDURE

1.

CHECK FOR SHORT TO +B IN CAN BUS LINE (NO. 2 CAN JUNCTION CONNECTOR)

(a) Disconnect the cable from the negative (-) battery terminal.

(b) Disconnect the A67 No. 2 CAN junction connector.

(c) Measure the resistance according to the value(s) in the table below.

*A

Before Jul. 2018 Production

*B

From Jul. 2018 Production

*1

DLC3

-

-

*a

Front view of wire harness connector

(to No. 2 CAN Junction Connector)

*b

to No. 4 CAN Junction Connector

*c

to ECM

-

-

Standard Resistance:

Before Jul. 2018 Production:

Tester Connection

Condition

Specified Condition

Connected to

A67-10 (CANH) - K68-16 (BAT)

Cable disconnected from negative (-) battery terminal

6 kΩ or higher

No. 4 CAN junction connector

A67-21 (CANL) - K68-16 (BAT)

A67-11 (CANH) - K68-16 (BAT)

Cable disconnected from negative (-) battery terminal

6 kΩ or higher

ECM

A67-22 (CANL) - K68-16 (BAT)

From Jul. 2018 Production:

Tester Connection

Condition

Specified Condition

Connected to

A67-10 (CANH) - K138-16 (BAT)

Cable disconnected from negative (-) battery terminal

6 kΩ or higher

No. 4 CAN junction connector

A67-21 (CANL) - K138-16 (BAT)

A67-11 (CANH) - K138-16 (BAT)

Cable disconnected from negative (-) battery terminal

6 kΩ or higher

ECM

A67-22 (CANL) - K138-16 (BAT)

Result

Proceed to

OK

A

NG (Line to ECM)

B

NG (Line to No. 4 CAN junction connector)

C

A

REPLACE NO. 2 CAN JUNCTION CONNECTOR

C

GO TO STEP 3

B

2.

CHECK FOR SHORT TO +B IN CAN BUS LINE (NO. 2 CAN JUNCTION CONNECTOR - ECM)

(a) Disconnect the A21 or A24 ECM connector.

(b) Measure the resistance according to the value(s) in the table below.

*A

Before Jul. 2018 Production

*B

From Jul. 2018 Production

*1

DLC3

-

-

*a

Front view of wire harness connector

(to No. 2 CAN Junction Connector)

*b

to ECM

Standard Resistance:

Before Jul. 2018 Production:

Tester Connection

Condition

Specified Condition

A67-11 (CANH) - K68-16 (BAT)

Cable disconnected from negative (-) battery terminal

6 kΩ or higher

A67-22 (CANL) - K68-16 (BAT)

From Jul. 2018 Production:

Tester Connection

Condition

Specified Condition

A67-11 (CANH) - K138-16 (BAT)

Cable disconnected from negative (-) battery terminal

6 kΩ or higher

A67-22 (CANL) - K138-16 (BAT)

Result

Proceed to

OK (for A25A-FKS)

A

OK (for 2GR-FKS)

B

NG

C

A

REPLACE ECM

B

REPLACE ECM

C

REPAIR OR REPLACE CAN MAIN BUS LINE OR CONNECTOR (NO. 2 CAN JUNCTION CONNECTOR - ECM)

3.

CHECK FOR SHORT TO +B IN CAN BUS LINE (NO. 4 CAN JUNCTION CONNECTOR - NO. 2 CAN JUNCTION CONNECTOR)

(a) Disconnect the K128 No. 4 CAN junction connector.

(b) Measure the resistance according to the value(s) in the table below.

*A

Before Jul. 2018 Production

*B

From Jul. 2018 Production

*1

DLC3

-

-

*a

Front view of wire harness connector

(to No. 4 CAN Junction Connector)

*b

to No. 2 CAN Junction Connector

Standard Resistance:

Before Jul. 2018 Production:

Tester Connection

Condition

Specified Condition

Connected to

K128-11 (CANH) - K68-16 (BAT)

Cable disconnected from negative (-) battery terminal

6 kΩ or higher

No. 2 CAN junction connector

K128-22 (CANL) - K68-16 (BAT)

From Jul. 2018 Production:

Tester Connection

Condition

Specified Condition

Connected to

K128-11 (CANH) - K138-16 (BAT)

Cable disconnected from negative (-) battery terminal

6 kΩ or higher

No. 2 CAN junction connector

K128-22 (CANL) - K138-16 (BAT)

NG

REPAIR OR REPLACE CAN MAIN BUS LINE OR CONNECTOR (NO. 4 CAN JUNCTION CONNECTOR - NO. 2 CAN JUNCTION CONNECTOR)

OK

4.

CHECK FOR SHORT TO +B IN CAN BUS LINE (NO. 4 CAN JUNCTION CONNECTOR)

(a) Disconnect the K127 No. 4 CAN junction connector.

(b) Measure the resistance according to the value(s) in the table below.

*A

Before Jul. 2018 Production

*B

From Jul. 2018 Production

*1

DLC3

-

-

*a

Front view of wire harness connector

(to No. 4 CAN Junction Connector)

*b

to Central Gateway ECU (Network Gateway ECU)

Standard Resistance:

Before Jul. 2018 Production:

Tester Connection

Condition

Specified Condition

Connected to

K127-1 (CANH) - K68-16 (BAT)

Cable disconnected from negative (-) battery terminal

6 kΩ or higher

Central gateway ECU (network gateway ECU)

K127-12 (CANL) - K68-16 (BAT)

From Jul. 2018 Production:

Tester Connection

Condition

Specified Condition

Connected to

K127-1 (CANH) - K138-16 (BAT)

Cable disconnected from negative (-) battery terminal

6 kΩ or higher

Central gateway ECU (network gateway ECU)

K127-12 (CANL) - K138-16 (BAT)

OK

REPLACE NO. 4 CAN JUNCTION CONNECTOR

NG

5.

CHECK FOR SHORT TO +B IN CAN BUS LINE (NO. 4 CAN JUNCTION CONNECTOR - CENTRAL GATEWAY ECU (NETWORK GATEWAY ECU))

(a) Disconnect the K76 central gateway ECU (network gateway ECU) connector.

(b) Measure the resistance according to the value(s) in the table below.

*A

Before Jul. 2018 Production

*B

From Jul. 2018 Production

*1

DLC3

-

-

*a

Front view of wire harness connector

(to No. 4 CAN Junction Connector)

*b

to Central Gateway ECU (Network Gateway ECU)

Standard Resistance:

Before Jul. 2018 Production:

Tester Connection

Condition

Specified Condition

K127-1 (CANH) - K68-16 (BAT)

Cable disconnected from negative (-) battery terminal

6 kΩ or higher

K127-12 (CANL) - K68-16 (BAT)

From Jul. 2018 Production:

Tester Connection

Condition

Specified Condition

K127-1 (CANH) - K138-16 (BAT)

Cable disconnected from negative (-) battery terminal

6 kΩ or higher

K127-12 (CANL) - K138-16 (BAT)

OK

REPLACE CENTRAL GATEWAY ECU (NETWORK GATEWAY ECU)

NG

REPAIR OR REPLACE CAN MAIN BUS LINE OR CONNECTOR (NO. 4 CAN JUNCTION CONNECTOR - CENTRAL GATEWAY ECU (NETWORK GATEWAY ECU))

    READ NEXT:

     Check Bus 2 Line for Short to GND

    DESCRIPTION There may be a short circuit between one of the CAN bus lines and GND when there is no resistance between terminal 18 (CA4H) of the central gateway ECU (network gateway ECU) and terminal 4

     Open in Bus 3 Main Bus Line

    DESCRIPTION There may be an open circuit in one of the CAN main bus lines when the resistance between terminals 6 (CA3H) and 21 (CA3L) of the central gateway ECU (network gateway ECU) is 70 Ω or

     Check Bus 3 Lines for Short Circuit

    DESCRIPTION There may be a short circuit between the CAN main bus lines and/or CAN branch lines when the resistance between terminals 6 (CA3H) and 21 (CA3L) of the central gateway ECU (network gateway

    SEE MORE:

     Cylinder 1 Injector "B" Circuit Open (P21CF13,P21D013-P21D413)

    DESCRIPTION The D-4S system has two injection systems. One is an in-cylinder direct injection system that directly injects pressurized fuel into the combustion chamber. The other is an intake port injection system. The ECM determines the percentage of direct injection and port injection necessary in

     On-vehicle Inspection

    ON-VEHICLE INSPECTION PROCEDURE 1. INSPECT FUEL CUT OPERATION (a) Start the engine. (b) Warm up the engine. (c) Increase the engine speed to approximately 3500 rpm. (d) Use a sound scope to check for fuel injector assembly operating sounds. (e) When the accelerator pedal is fully released, che

    © 2023-2026 Copyright www.tocamry.com