Toyota Camry owners & service manuals

Toyota Camry (XV70): Check Bus 2 Line for Short to GND

DESCRIPTION

There may be a short circuit between one of the CAN bus lines and GND when there is no resistance between terminal 18 (CA4H) of the central gateway ECU (network gateway ECU) and terminal 4 (CG) of the DLC3, or terminal 17 (CA4L) of the central gateway ECU (network gateway ECU) and terminal 4 (CG) of the DLC3.

Symptom

Trouble Area

There is no resistance between terminal 18 (CA4H) of the central gateway ECU (network gateway ECU) and terminal 4 (CG) of the DLC3, or terminal 17 (CA4L) of the central gateway ECU (network gateway ECU) and terminal 4 (CG) of the DLC3.

  • Short to ground in CAN main bus line
  • Central gateway ECU (network gateway ECU)
  • ECM
  • No. 2 CAN junction connector
  • No. 4 CAN junction connector

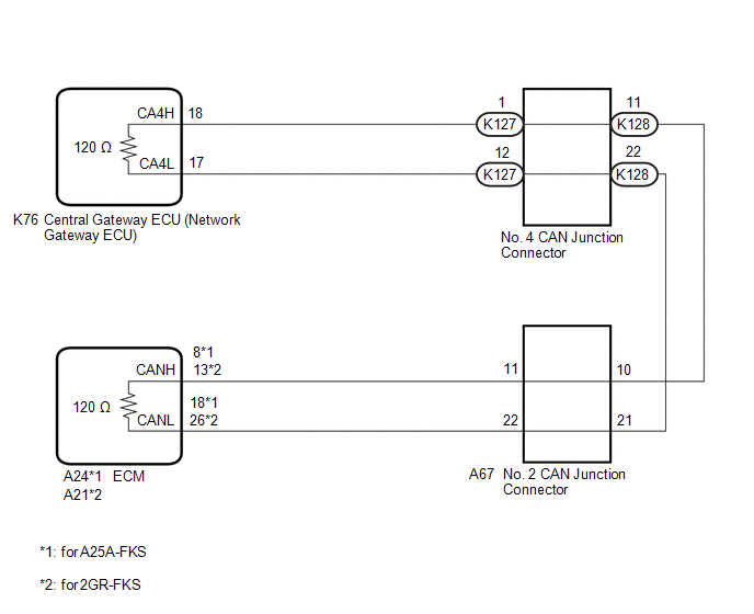
WIRING DIAGRAM

CAUTION / NOTICE / HINT

CAUTION:

When performing the confirmation driving pattern, obey all speed limits and traffic laws.

NOTICE:

  • Because the order of diagnosis is important to allow correct diagnosis, make sure to begin troubleshooting using How to Proceed with Troubleshooting when CAN communication system related DTCs are output.

    Click here

  • Before measuring the resistance of the CAN bus, turn the ignition switch off and leave the vehicle for 1 minute or more without operating the key or any switches, or opening or closing the doors. After that, disconnect the cable from the negative (-) battery terminal and leave the vehicle for 1 minute or more before measuring the resistance.
  • After turning the ignition switch off, waiting time may be required before disconnecting the cable from the negative (-) battery terminal. Therefore, make sure to read the disconnecting the cable from the negative (-) battery terminal notices before proceeding with work.

    Click here

  • After performing repairs, perform the DTC check procedure and confirm that the DTCs are not output again.

    DTC check procedure: Turn the ignition switch to ON and wait for 1 minute or more. Then operate the suspected malfunctioning system and drive the vehicle at 60 km/h (37 mph) or more for 5 minutes or more.

  • After the repair, perform the CAN bus check and check that all the ECUs and sensors connected to the CAN communication system are displayed as normal.

    Click here

HINT:

  • Before disconnecting related connectors for inspection, push in on each connector body to check that the connector is not loose or disconnected.
  • When a connector is disconnected, check that the terminals and connector body are not cracked, deformed or corroded.

PROCEDURE

1.

CHECK FOR SHORT TO GND IN CAN BUS LINE (NO. 2 CAN JUNCTION CONNECTOR)

(a) Disconnect the cable from the negative (-) battery terminal.

(b) Disconnect the A67 No. 2 CAN junction connector.

(c) Measure the resistance according to the value(s) in the table below.

*A

Before Jul. 2018 Production

*B

From Jul. 2018 Production

*1

DLC3

-

-

*a

Front view of wire harness connector

(to No. 2 CAN Junction Connector)

*b

to No. 4 CAN Junction Connector

*c

to ECM

-

-

Standard Resistance:

Before Jul. 2018 Production:

Tester Connection

Condition

Specified Condition

Connected to

A67-10 (CANH) - K68-4 (CG)

Cable disconnected from negative (-) battery terminal

200 Ω or higher

No. 4 CAN junction connector

A67-21 (CANL) - K68-4 (CG)

A67-11 (CANH) - K68-4 (CG)

Cable disconnected from negative (-) battery terminal

200 Ω or higher

ECM

A67-22 (CANL) - K68-4 (CG)

From Jul. 2018 Production:

Tester Connection

Condition

Specified Condition

Connected to

A67-10 (CANH) - K138-4 (CG)

Cable disconnected from negative (-) battery terminal

200 Ω or higher

No. 4 CAN junction connector

A67-21 (CANL) - K138-4 (CG)

A67-11 (CANH) - K138-4 (CG)

Cable disconnected from negative (-) battery terminal

200 Ω or higher

ECM

A67-22 (CANL) - K138-4 (CG)

Result

Proceed to

OK

A

NG (Line to ECM)

B

NG (Line to No. 4 CAN junction connector)

C

A

REPLACE NO. 2 CAN JUNCTION CONNECTOR

C

GO TO STEP 3

B

2.

CHECK FOR SHORT TO GND IN CAN BUS LINE (NO. 2 CAN JUNCTION CONNECTOR - ECM)

(a) Disconnect the A21 or A24 ECM connector.

(b) Measure the resistance according to the value(s) in the table below.

*A

Before Jul. 2018 Production

*B

From Jul. 2018 Production

*1

DLC3

-

-

*a

Front view of wire harness connector

(to No. 2 CAN Junction Connector)

*b

to ECM

Standard Resistance:

Before Jul. 2018 Production:

Tester Connection

Condition

Specified Condition

A67-11 (CANH) - K68-4 (CG)

Cable disconnected from negative (-) battery terminal

200 Ω or higher

A67-22 (CANL) - K68-4 (CG)

From Jul. 2018 Production:

Tester Connection

Condition

Specified Condition

A67-11 (CANH) - K138-4 (CG)

Cable disconnected from negative (-) battery terminal

200 Ω or higher

A67-22 (CANL) - K138-4 (CG)

Result

Proceed to

OK (for A25A-FKS)

A

OK (for 2GR-FKS)

B

NG

C

A

REPLACE ECM

B

REPLACE ECM

C

REPAIR OR REPLACE CAN MAIN BUS LINE OR CONNECTOR (NO. 2 CAN JUNCTION CONNECTOR - CENTRAL GATEWAY ECU (NETWORK GATEWAY ECU))

3.

CHECK FOR SHORT TO GND IN CAN BUS LINE (NO. 4 CAN JUNCTION CONNECTOR - NO. 2 CAN JUNCTION CONNECTOR)

(a) Disconnect the K128 No. 4 CAN junction connector.

(b) Measure the resistance according to the value(s) in the table below.

*A

Before Jul. 2018 Production

*B

From Jul. 2018 Production

*1

DLC3

-

-

*a

Front view of wire harness connector

(to No. 4 CAN Junction Connector)

*b

to No. 2 CAN Junction Connector

Standard Resistance:

Before Jul. 2018 Production:

Tester Connection

Condition

Specified Condition

Connected to

K128-11 (CANH) - K68-4 (CG)

Cable disconnected from negative (-) battery terminal

200 Ω or higher

No. 2 CAN junction connector

K128-22 (CANL) - K68-4 (CG)

From Jul. 2018 Production:

Tester Connection

Condition

Specified Condition

Connected to

K128-11 (CANH) - K138-4 (CG)

Cable disconnected from negative (-) battery terminal

200 Ω or higher

No. 2 CAN junction connector

K128-22 (CANL) - K138-4 (CG)

NG

REPAIR OR REPLACE CAN MAIN BUS LINE OR CONNECTOR (NO. 4 CAN JUNCTION CONNECTOR - NO. 2 CAN JUNCTION CONNECTOR)

OK

4.

CHECK FOR SHORT TO GND IN CAN BUS LINE (NO. 4 CAN JUNCTION CONNECTOR)

(a) Disconnect the K127 No. 4 CAN junction connector.

(b) Measure the resistance according to the value(s) in the table below.

*A

Before Jul. 2018 Production

*B

From Jul. 2018 Production

*1

DLC3

-

-

*a

Front view of wire harness connector

(to No. 4 CAN Junction Connector)

*b

to Central Gateway ECU (Network Gateway ECU)

Standard Resistance:

Before Jul. 2018 Production:

Tester Connection

Condition

Specified Condition

Connected to

K127-1 (CANH) - K68-4 (CG)

Cable disconnected from negative (-) battery terminal

200 Ω or higher

Central gateway ECU (network gateway ECU)

K127-12 (CANL) - K68-4 (CG)

From Jul. 2018 Production:

Tester Connection

Condition

Specified Condition

Connected to

K127-1 (CANH) - K138-4 (CG)

Cable disconnected from negative (-) battery terminal

200 Ω or higher

Central gateway ECU (network gateway ECU)

K127-12 (CANL) - K138-4 (CG)

OK

REPLACE NO. 4 CAN JUNCTION CONNECTOR

NG

5.

CHECK FOR SHORT TO GND IN CAN BUS LINE (NO. 4 CAN JUNCTION CONNECTOR - CENTRAL GATEWAY ECU (NETWORK GATEWAY ECU))

(a) Disconnect the K76 central gateway ECU (network gateway ECU) connector.

(b) Measure the resistance according to the value(s) in the table below.

*A

Before Jul. 2018 Production

*B

From Jul. 2018 Production

*1

DLC3

-

-

*a

Front view of wire harness connector

(to No. 4 CAN Junction Connector)

*b

to Central Gateway ECU (Network Gateway ECU)

Standard Resistance:

Before Jul. 2018 Production:

Tester Connection

Condition

Specified Condition

K127-1 (CANH) - K68-4 (CG)

Cable disconnected from negative (-) battery terminal

200 Ω or higher

K127-12 (CANL) - K68-4 (CG)

From Jul. 2018 Production:

Tester Connection

Condition

Specified Condition

K127-1 (CANH) - K138-4 (CG)

Cable disconnected from negative (-) battery terminal

200 Ω or higher

K127-12 (CANL) - K138-4 (CG)

OK

REPLACE CENTRAL GATEWAY ECU (NETWORK GATEWAY ECU)

NG

REPAIR OR REPLACE CAN MAIN BUS LINE OR CONNECTOR (NO. 4 CAN JUNCTION CONNECTOR - CENTRAL GATEWAY ECU (NETWORK GATEWAY ECU))

    READ NEXT:

     Open in Bus 3 Main Bus Line

    DESCRIPTION There may be an open circuit in one of the CAN main bus lines when the resistance between terminals 6 (CA3H) and 21 (CA3L) of the central gateway ECU (network gateway ECU) is 70 Ω or

     Check Bus 3 Lines for Short Circuit

    DESCRIPTION There may be a short circuit between the CAN main bus lines and/or CAN branch lines when the resistance between terminals 6 (CA3H) and 21 (CA3L) of the central gateway ECU (network gateway

     Check Bus 3 Line for Short to +B

    DESCRIPTION There may be a short circuit between one of the CAN bus lines and +B when there is no resistance between terminal 6 (CA3H) of the central gateway ECU (network gateway ECU) and terminal 16

    SEE MORE:

     Open in One Side of Bus 4 Branch Line

    DESCRIPTION When the CAN bus main lines are normal (no open, short to ground, short to +B or short between lines) and there is an ECU or sensor on the "Communication Bus Check" screen that is indicated as not communicating or whose connection status on the "Communication Bus Check" screen changes in

     Removal

    REMOVAL CAUTION / NOTICE / HINT The necessary procedures (adjustment, calibration, initialization or registration) that must be performed after parts are removed and installed, or replaced starter assembly removal/installation are shown below. Necessary Procedures After Parts Removed/Installed/Rep

    © 2023-2026 Copyright www.tocamry.com