Toyota Camry owners & service manuals

Toyota Camry (XV70): Check Bus 5 Line for Short to +B

DESCRIPTION

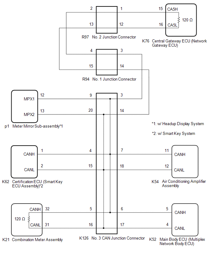
There may be a short circuit between one of the CAN bus lines and +B when there is no resistance between terminal 15 (CA5H) of the central gateway ECU (network gateway ECU) and terminal 16 (BAT) of the DLC3, or terminal 16 (CA5L) of the central gateway ECU (network gateway ECU) and terminal 16 (BAT) of the DLC3.

Symptom

Trouble Area

There is no resistance between terminal 15 (CA5H) of the central gateway ECU (network gateway ECU) and terminal 16 (BAT) of the DLC3, or terminal 16 (CA5L) of the central gateway ECU (network gateway ECU) and terminal 16 (BAT) of the DLC3.

  • Short to +B in CAN main bus line
  • Short to +B in CAN branch line
  • Central gateway ECU (network gateway ECU)
  • Air conditioning amplifier assembly
  • Certification ECU (smart key ECU assembly)

    (w/ Smart Key System)

  • Main body ECU (multiplex network body ECU)
  • Meter mirror sub-assembly

    (w/ Headup Display System)

  • Combination meter assembly
  • No. 3 CAN junction connector
  • No. 1 junction connector
  • No. 2 junction connector

WIRING DIAGRAM

CAUTION / NOTICE / HINT

CAUTION:

When performing the confirmation driving pattern, obey all speed limits and traffic laws.

NOTICE:

  • Because the order of diagnosis is important to allow correct diagnosis, make sure to begin troubleshooting using How to Proceed with Troubleshooting when CAN communication system related DTCs are output.

    Click here

  • Before measuring the resistance of the CAN bus, turn the ignition switch off and leave the vehicle for 1 minute or more without operating the key or any switches, or opening or closing the doors. After that, disconnect the cable from the negative (-) battery terminal and leave the vehicle for 1 minute or more before measuring the resistance.
  • After turning the ignition switch off, waiting time may be required before disconnecting the cable from the negative (-) battery terminal. Therefore, make sure to read the disconnecting the cable from the negative (-) battery terminal notices before proceeding with work.

    Click here

  • After performing repairs, perform the DTC check procedure and confirm that the DTCs are not output again.

    DTC check procedure: Turn the ignition switch to ON and wait for 1 minute or more. Then operate the suspected malfunctioning system and drive the vehicle at 60 km/h (37 mph) or more for 5 minutes or more.

  • After the repair, perform the CAN bus check and check that all the ECUs and sensors connected to the CAN communication system are displayed as normal.

    Click here

  • Before replacing the main body ECU (multiplex network body ECU) or certification ECU (smart key ECU assembly), refer to Registration.
    • w/ Smart Key System

      Click here

    • w/o Smart Key System

      Click here

HINT:

  • Before disconnecting related connectors for inspection, push in on each connector body to check that the connector is not loose or disconnected.
  • When a connector is disconnected, check that the terminals and connector body are not cracked, deformed or corroded.

PROCEDURE

1.

CHECK FOR SHORT TO +B IN CAN BUS LINE (NO. 3 CAN JUNCTION CONNECTOR)

(a) Disconnect the cable from the negative (-) battery terminal.

(b) Disconnect the K126 No. 3 CAN junction connector.

(c) Measure the resistance according to the value(s) in the table below.

*1

DLC3

-

-

*a

Front view of wire harness connector

(to No. 3 CAN Junction Connector)

*b

to No. 1 Junction Connector

*c

to Certification ECU (Smart Key ECU Assembly)

(w/ Smart Key System)

*d

to Combination Meter Assembly

*e

to Main Body ECU (Multiplex Network Body ECU)

*f

to Air Conditioning Amplifier Assembly

*g

to Meter Mirror Sub-assembly

(w/ Headup Display System)

-

-

Standard Resistance:

Tester Connection

Condition

Specified Condition

Connected to

K126-3 (CANH) - K138-16 (BAT)

Cable disconnected from negative (-) battery terminal

6 kΩ or higher

No. 1 junction connector

K126-14 (CANL) - K138-16 (BAT)

K126-4 (CANH) - K138-16 (BAT)

Cable disconnected from negative (-) battery terminal

6 kΩ or higher

Certification ECU (smart key ECU assembly)*1

K126-15 (CANL) - K138-16 (BAT)

K126-5 (CANH) - K138-16 (BAT)

Cable disconnected from negative (-) battery terminal

6 kΩ or higher

Combination meter assembly

K126-16 (CANL) - K138-16 (BAT)

K126-6 (CANH) - K138-16 (BAT)

Cable disconnected from negative (-) battery terminal

6 kΩ or higher

Main body ECU (multiplex network body ECU)

K126-17 (CANL) - K138-16 (BAT)

K126-7 (CANH) - K138-16 (BAT)

Cable disconnected from negative (-) battery terminal

6 kΩ or higher

Air conditioning amplifier assembly

K126-18 (CANL) - K138-16 (BAT)

K126-9 (CANH) - K138-16 (BAT)

Cable disconnected from negative (-) battery terminal

6 kΩ or higher

Meter mirror sub-assembly*2

K126-20 (CANL) - K138-16 (BAT)

  • *1: w/ Smart Key System
  • *2: w/ Headup Display System

Result

Proceed to

OK

A

NG (Line to No. 1 junction connector)

B

NG (Line to ECU or sensor)

C

A

REPLACE NO. 3 CAN JUNCTION CONNECTOR

C

GO TO STEP 5

B

2.

CHECK FOR SHORT TO +B IN CAN BUS LINE (NO. 1 JUNCTION CONNECTOR)

(a) Disconnect the R94 No. 1 junction connector.

(b) Measure the resistance according to the value(s) in the table below.

*1

DLC3

-

-

*a

Front view of wire harness connector

(to No. 1 Junction Connector)

*b

to No. 3 CAN Junction Connector

*c

to No. 2 Junction Connector

-

-

Standard Resistance:

Tester Connection

Condition

Specified Condition

Connected to

R94-3 (CANH) - K138-16 (BAT)

Cable disconnected from negative (-) battery terminal

6 kΩ or higher

No. 3 CAN junction connector

R94-14 (CANL) - K138-16 (BAT)

R94-4 (CANH) - K138-16 (BAT)

Cable disconnected from negative (-) battery terminal

6 kΩ or higher

No. 2 junction connector

R94-15 (CANL) - K138-16 (BAT)

Result

Proceed to

OK

A

NG (Line to No. 3 CAN junction connector)

B

NG (Line to No. 2 junction connector)

C

A

REPLACE NO. 1 JUNCTION CONNECTOR

B

REPAIR OR REPLACE CAN MAIN BUS LINE OR CONNECTOR (NO. 1 JUNCTION CONNECTOR - NO. 3 CAN JUNCTION CONNECTOR)

C

3.

CHECK FOR SHORT TO +B IN CAN BUS LINE (NO. 2 JUNCTION CONNECTOR)

(a) Disconnect the R97 No. 2 junction connector.

(b) Measure the resistance according to the value(s) in the table below.

*1

DLC3

-

-

*a

Front view of wire harness connector

(to No. 2 Junction Connector)

*b

to Central Gateway ECU (Network Gateway ECU)

*c

to No. 1 Junction Connector

-

-

Standard Resistance:

Tester Connection

Condition

Specified Condition

Connected to

R97-1 (CANH) - K138-16 (BAT)

Cable disconnected from negative (-) battery terminal

6 kΩ or higher

Central gateway ECU (network gateway ECU)

R97-12 (CANL) - K138-16 (BAT)

R97-2 (CANH) - K138-16 (BAT)

Cable disconnected from negative (-) battery terminal

6 kΩ or higher

No. 1 junction connector

R97-13 (CANL) - K138-16 (BAT)

Result

Proceed to

OK

A

NG (Line to No. 1 junction connector)

B

NG (Line to central gateway ECU (network gateway ECU))

C

A

REPLACE NO. 2 JUNCTION CONNECTOR

B

REPAIR OR REPLACE CAN MAIN BUS LINE OR CONNECTOR (NO. 2 JUNCTION CONNECTOR - NO. 1 JUNCTION CONNECTOR)

C

4.

CHECK FOR SHORT TO +B IN CAN BUS LINE (NO. 2 JUNCTION CONNECTOR - CENTRAL GATEWAY ECU (NETWORK GATEWAY ECU))

(a) Disconnect the K76 central gateway ECU (network gateway ECU) connector.

(b) Measure the resistance according to the value(s) in the table below.

*1

DLC3

-

-

*a

Front view of wire harness connector

(to No. 2 Junction Connector)

*b

to Central Gateway ECU (Network Gateway ECU)

Standard Resistance:

Tester Connection

Condition

Specified Condition

R97-1 (CANH) - K138-16 (BAT)

Cable disconnected from negative (-) battery terminal

6 kΩ or higher

R97-12 (CANL) - K138-16 (BAT)

OK

REPLACE CENTRAL GATEWAY ECU (NETWORK GATEWAY ECU)

NG

REPAIR OR REPLACE CAN MAIN BUS LINE OR CONNECTOR (NO. 2 JUNCTION CONNECTOR - CENTRAL GATEWAY ECU (NETWORK GATEWAY ECU))

5.

CHECK FOR SHORT TO +B IN CAN BUS LINE (ECU OR SENSOR)

(a) Reconnect all wire harness connectors.

(b) Disconnect the connector that includes terminals CANH and CANL from the ECU or sensor to which the bus line shorted to +B is connected.

Click here

(c) Measure the resistance according to the value(s) in the table below.

*1

DLC3

-

-

*a

Component with harness connected

(Central Gateway ECU (Network Gateway ECU))

-

-

Standard Resistance:

Tester Connection

Condition

Specified Condition

K76-15 (CA5H) - K138-16 (BAT)

Cable disconnected from negative (-) battery terminal

6 kΩ or higher

K76-16 (CA5L) - K138-16 (BAT)

HINT:

  • If the resistance changes to 6 kΩ or higher when the connector is disconnected from the ECU or sensor, there may be a short in the ECU or sensor.
  • If the resistance does not become normal when the connector is disconnected from the ECU or sensor, check for a short to +B in the wire harness and repair or replace the wire harness or connector if necessary.
OK

REPLACE ECU OR SENSOR

NG

REPAIR OR REPLACE HARNESS OR CONNECTOR

    READ NEXT:

     Check Bus 5 Line for Short to GND

    DESCRIPTION There may be a short circuit between one of the CAN bus lines and GND when there is no resistance between terminal 15 (CA5H) of the central gateway ECU (network gateway ECU) and terminal 4

     Open in One Side of Bus 5 Branch Line

    DESCRIPTION When the CAN bus main lines are normal (no open, short to ground, short to +B or short between lines) and there is an ECU or sensor on the "Communication Bus Check" screen that is indicate

     Front Camera Module Communication Stop Mode

    DESCRIPTION Detection Item Symptom Trouble Area Front Camera Module Communication Stop Mode Any of the following conditions are met: Communication stop for "Front Camer

    SEE MORE:

     Reassembly

    REASSEMBLY CAUTION / NOTICE / HINT HINT: Use the same procedure for the RH side and LH side. The following procedure is for the LH side. PROCEDURE 1. INSTALL FRONT AXLE OUTBOARD JOINT BOOT (a) Secure the drive shaft in a vise between aluminum plates. NOTICE: Do not overtighten the

     HO2S Heater Control Circuit Bank 1 Sensor 2 Circuit Short to Battery (P003612,P003614,P005612,P005614,P014118,P016118,P102A9E,P105A9E)

    DESCRIPTION Refer to DTC P013611. Click here HINT: When any of these DTCs are stored, the ECM enters fail-safe mode. The ECM turns off the heated oxygen sensor heater in fail-safe mode. Fail-safe mode continues until the engine switch is turned off. The heated oxygen sensor heater cir

    © 2023-2026 Copyright www.tocamry.com