Toyota Camry owners & service manuals

Toyota Camry (XV70): Check Bus 5 Lines for Short Circuit

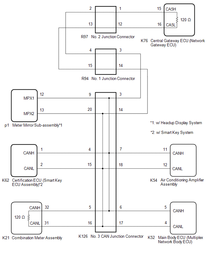
DESCRIPTION

There may be a short circuit between the CAN main bus lines and/or CAN branch lines when the resistance between terminals 15 (CA5H) and 16 (CA5L) of the central gateway ECU (network gateway ECU) is below 54 Ω.

Symptom

Trouble Area

Resistance between terminals 15 (CA5H) and 16 (CA5L) of the central gateway ECU (network gateway ECU) is below 54 Ω.

  • Short in CAN main bus lines
  • Short in CAN branch lines
  • Central gateway ECU (network gateway ECU)
  • Air conditioning amplifier assembly
  • Certification ECU (smart key ECU assembly)

    (w/ Smart Key System)

  • Main body ECU (multiplex network body ECU)
  • Combination meter assembly
  • Meter mirror sub-assembly

    (w/ Headup Display System)

  • No. 3 CAN junction connector
  • No. 1 junction connector
  • No. 2 junction connector

WIRING DIAGRAM

CAUTION / NOTICE / HINT

CAUTION:

When performing the confirmation driving pattern, obey all speed limits and traffic laws.

NOTICE:

  • Because the order of diagnosis is important to allow correct diagnosis, make sure to begin troubleshooting using How to Proceed with Troubleshooting when CAN communication system related DTCs are output.

    Click here

  • Before measuring the resistance of the CAN bus, turn the ignition switch off and leave the vehicle for 1 minute or more without operating the key or any switches, or opening or closing the doors. After that, disconnect the cable from the negative (-) battery terminal and leave the vehicle for 1 minute or more before measuring the resistance.
  • After turning the ignition switch off, waiting time may be required before disconnecting the cable from the negative (-) battery terminal. Therefore, make sure to read the disconnecting the cable from the negative (-) battery terminal notices before proceeding with work.

    Click here

  • After performing repairs, perform the DTC check procedure and confirm that the DTCs are not output again.

    DTC check procedure: Turn the ignition switch to ON and wait for 1 minute or more. Then operate the suspected malfunctioning system and drive the vehicle at 60 km/h (37 mph) or more for 5 minutes or more.

  • After the repair, perform the CAN bus check and check that all the ECUs and sensors connected to the CAN communication system are displayed as normal.

    Click here

  • Before replacing the main body ECU (multiplex network body ECU) or certification ECU (smart key ECU assembly), refer to Registration.
    • w/ Smart Key System

      Click here

    • w/o Smart Key System

      Click here

HINT:

  • Before disconnecting related connectors for inspection, push in on each connector body to check that the connector is not loose or disconnected.
  • When a connector is disconnected, check that the terminals and connector body are not cracked, deformed or corroded.

PROCEDURE

1.

CHECK FOR SHORT IN CAN BUS LINES (NO. 3 CAN JUNCTION CONNECTOR)

(a) Disconnect the cable from the negative (-) battery terminal.

(b) Disconnect the K126 No. 3 CAN junction connector.

(c) Measure the resistance according to the value(s) in the table below.

*a

Front view of wire harness connector

(to No. 3 CAN Junction Connector)

*b

to No. 1 Junction Connector

*c

to Certification ECU (Smart Key ECU Assembly)

(w/ Smart Key System)

*d

to Combination Meter Assembly

*e

to Main Body ECU (Multiplex Network Body ECU)

*f

to Air Conditioning Amplifier Assembly

*g

to Meter Mirror Sub-assembly

(w/ Headup Display System)

-

-

Standard Resistance:

Tester Connection

Condition

Specified Condition

Connected to

K126-3 (CANH) - K126-14 (CANL)

Cable disconnected from negative (-) battery terminal

108 to 132 Ω

No. 1 junction connector

K126-4 (CANH) - K126-15 (CANL)

Cable disconnected from negative (-) battery terminal

200 Ω or higher

Certification ECU (smart key ECU assembly)*1

K126-5 (CANH) - K126-16 (CANL)

Cable disconnected from negative (-) battery terminal

108 to 132 Ω

Combination meter assembly

K126-6 (CANH) - K126-17 (CANL)

Cable disconnected from negative (-) battery terminal

200 Ω or higher

Main body ECU (multiplex network body ECU)

K126-7 (CANH) - K126-18 (CANL)

Cable disconnected from negative (-) battery terminal

200 Ω or higher

Air conditioning amplifier assembly

K126-9 (CANH) - K126-20 (CANL)

Cable disconnected from negative (-) battery terminal

200 Ω or higher

Meter mirror sub-assembly*2

  • *1: w/ Smart Key System
  • *2: w/ Headup Display System

Result

Proceed to

OK

A

NG (Line to combination meter assembly)

B

NG (Line to No. 1 junction connector)

C

NG (Line to ECU or sensor)

D

A

REPLACE NO. 3 CAN JUNCTION CONNECTOR

C

GO TO STEP 3

D

GO TO STEP 6

B

2.

CHECK FOR SHORT IN CAN BUS LINES (NO. 3 CAN JUNCTION CONNECTOR - COMBINATION METER ASSEMBLY)

(a) Disconnect the K21 combination meter assembly connector.

(b) Measure the resistance according to the value(s) in the table below.

*a

Front view of wire harness connector

(to No. 3 CAN Junction Connector)

*b

to Combination Meter Assembly

Standard Resistance:

Tester Connection

Condition

Specified Condition

K126-5 (CANH) - K126-16 (CANL)

Cable disconnected from negative (-) battery terminal

1 MΩ or higher

OK

REPLACE COMBINATION METER ASSEMBLY

NG

REPAIR OR REPLACE CAN MAIN BUS LINES OR CONNECTOR (NO. 3 CAN JUNCTION CONNECTOR - COMBINATION METER ASSEMBLY)

3.

CHECK FOR SHORT IN CAN BUS LINES (NO. 1 JUNCTION CONNECTOR)

(a) Reconnect the K126 No. 3 CAN junction connector.

(b) Disconnect the R94 No. 1 junction connector.

(c) Measure the resistance according to the value(s) in the table below.

*a

Front view of wire harness connector

(to No. 1 Junction Connector)

*b

to No. 3 CAN Junction Connector

*c

to No. 2 Junction Connector

-

-

Standard Resistance:

Tester Connection

Condition

Specified Condition

Connected to

R94-3 (CANH) - R94-14 (CANL)

Cable disconnected from negative (-) battery terminal

108 to 132 Ω

No. 3 CAN junction connector

R94-4 (CANH) - R94-15 (CANL)

Cable disconnected from negative (-) battery terminal

108 to 132 Ω

No. 2 junction connector

Result

Proceed to

OK

A

NG (Line to No. 3 CAN junction connector)

B

NG (Line to No. 2 junction connector)

C

A

REPLACE NO. 1 JUNCTION CONNECTOR

B

REPAIR OR REPLACE CAN MAIN BUS LINES OR CONNECTOR (NO. 1 JUNCTION CONNECTOR - NO. 3 CAN JUNCTION CONNECTOR)

C

4.

CHECK FOR SHORT IN CAN BUS LINES (NO. 2 JUNCTION CONNECTOR)

(a) Reconnect the R94 No. 1 junction connector.

(b) Disconnect the R97 No. 2 junction connector.

(c) Measure the resistance according to the value(s) in the table below.

*a

Front view of wire harness connector

(to No. 2 Junction Connector)

*b

to Central Gateway ECU (Network Gateway ECU)

*c

to No. 1 Junction Connector

-

-

Standard Resistance:

Tester Connection

Condition

Specified Condition

Connected to

R97-1 (CANH) - R97-12 (CANL)

Cable disconnected from negative (-) battery terminal

108 to 132 Ω

Central gateway ECU (network gateway ECU)

R97-2 (CANH) - R97-13 (CANL)

Cable disconnected from negative (-) battery terminal

108 to 132 Ω

No. 1 junction connector

Result

Proceed to

OK

A

NG (Line to No. 1 junction connector)

B

NG (Line to central gateway ECU (network gateway ECU))

C

A

REPLACE NO. 2 JUNCTION CONNECTOR

B

REPAIR OR REPLACE CAN MAIN BUS LINES OR CONNECTOR (NO. 2 JUNCTION CONNECTOR - NO. 1 JUNCTION CONNECTOR)

C

5.

CHECK FOR SHORT IN CAN BUS LINES (NO. 2 JUNCTION CONNECTOR - CENTRAL GATEWAY ECU (NETWORK GATEWAY ECU))

(a) Disconnect the K76 central gateway ECU (network gateway ECU) connector.

(b) Measure the resistance according to the value(s) in the table below.

*a

Front view of wire harness connector

(to No. 2 Junction Connector)

*b

to Central Gateway ECU (Network Gateway ECU)

Standard Resistance:

Tester Connection

Condition

Specified Condition

R97-1 (CANH) - R97-12 (CANL)

Cable disconnected from negative (-) battery terminal

1 MΩ or higher

OK

REPLACE CENTRAL GATEWAY ECU (NETWORK GATEWAY ECU)

NG

REPAIR OR REPLACE CAN MAIN BUS LINES OR CONNECTOR (NO. 2 JUNCTION CONNECTOR - CENTRAL GATEWAY ECU (NETWORK GATEWAY ECU))

6.

CHECK FOR SHORT IN CAN BUS LINES (ECU OR SENSOR)

(a) Reconnect all wire harness connectors.

(b) Disconnect the connector that includes terminals CANH and CANL from the ECU or sensor to which the short circuited branch line is connected.

Click here

(c) Measure the resistance according to the value(s) in the table below.

Standard Resistance:

Tester Connection

Condition

Specified Condition

K76-15 (CA5H) - K76-16 (CA5L)

Cable disconnected from negative (-) battery terminal

54 to 69 Ω

HINT:

  • If the resistance becomes normal (between 54 and 69 Ω) when the connector is disconnected from the ECU or sensor, there may be a short in the ECU or sensor.
  • If the resistance does not become normal when the connector is disconnected from the ECU or sensor, check for a short in the wire harness and repair or replace the wire harness or connector if necessary.

*a

Component with harness connected

(Central Gateway ECU (Network Gateway ECU))

OK

REPLACE ECU OR SENSOR

NG

REPAIR OR REPLACE HARNESS OR CONNECTOR

    READ NEXT:

     Check Bus 5 Line for Short to +B

    DESCRIPTION There may be a short circuit between one of the CAN bus lines and +B when there is no resistance between terminal 15 (CA5H) of the central gateway ECU (network gateway ECU) and terminal 16

     Check Bus 5 Line for Short to GND

    DESCRIPTION There may be a short circuit between one of the CAN bus lines and GND when there is no resistance between terminal 15 (CA5H) of the central gateway ECU (network gateway ECU) and terminal 4

     Open in One Side of Bus 5 Branch Line

    DESCRIPTION When the CAN bus main lines are normal (no open, short to ground, short to +B or short between lines) and there is an ECU or sensor on the "Communication Bus Check" screen that is indicate

    SEE MORE:

     Fuel information

    You must only use unleaded gasoline. Select octane rating 87 (Research Octane Number 91) or higher. Use of unleaded gasoline with an octane rating lower than 87 may result in engine knocking. Persistent knocking can lead to engine damage. At minimum, the gasoline you use should meet the spe

     RCD (Rear Camera Detection)

    When the vehicle is backing up, the rear camera detection function can detect pedestrians in the detection area behind the vehicle. If a pedestrian is detected, a buzzer will sound and an icon on the audio system screen will be displayed to inform the driver of the pedestrian. Display Toyota p

    © 2023-2026 Copyright www.tocamry.com