Toyota Camry owners & service manuals

Toyota Camry (XV70): Open in Bus 2 Main Bus Line

DESCRIPTION

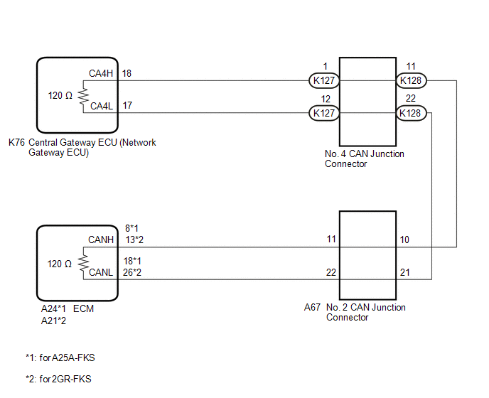
There may be an open circuit in one of the CAN main bus lines when the resistance between terminals 18 (CA4H) and 17 (CA4L) of the central gateway ECU (network gateway ECU) is 70 Ω or higher.

Symptom

Trouble Area

Resistance between terminals 18 (CA4H) and 17 (CA4L) of the central gateway ECU (network gateway ECU) is 70 Ω or higher.

  • CAN main bus lines or connector
  • Central gateway ECU (network gateway ECU)
  • ECM
  • No. 2 CAN junction connector
  • No. 4 CAN junction connector

This malfunction is not related to the lines of a CAN branch or to ECUs or sensors connected to a CAN branch.

WIRING DIAGRAM

CAUTION / NOTICE / HINT

CAUTION:

When performing the confirmation driving pattern, obey all speed limits and traffic laws.

NOTICE:

  • Because the order of diagnosis is important to allow correct diagnosis, make sure to begin troubleshooting using How to Proceed with Troubleshooting when CAN communication system related DTCs are output.

    Click here

  • Before measuring the resistance of the CAN bus, turn the ignition switch off and leave the vehicle for 1 minute or more without operating the key or any switches, or opening or closing the doors. After that, disconnect the cable from the negative (-) battery terminal and leave the vehicle for 1 minute or more before measuring the resistance.
  • After turning the ignition switch off, waiting time may be required before disconnecting the cable from the negative (-) battery terminal. Therefore, make sure to read the disconnecting the cable from the negative (-) battery terminal notices before proceeding with work.

    Click here

  • After performing repairs, perform the DTC check procedure and confirm that the DTCs are not output again.

    DTC check procedure: Turn the ignition switch to ON and wait for 1 minute or more. Then operate the suspected malfunctioning system and drive the vehicle at 60 km/h (37 mph) or more for 5 minutes or more.

  • After the repair, perform the CAN bus check and check that all the ECUs and sensors connected to the CAN communication system are displayed as normal.

    Click here

HINT:

  • Before disconnecting related connectors for inspection, push in on each connector body to check that the connector is not loose or disconnected.
  • When a connector is disconnected, check that the terminals and connector body are not cracked, deformed or corroded.

PROCEDURE

1.

CHECK FOR OPEN IN CAN MAIN BUS LINES (NO. 2 CAN JUNCTION CONNECTOR)

(a) Disconnect the cable from the negative (-) battery terminal.

(b) Disconnect the A67 No. 2 CAN junction connector.

(c) Measure the resistance according to the value(s) in the table below.

*a

Front view of wire harness connector

(to No. 2 CAN Junction Connector)

*b

to No. 4 CAN Junction Connector

*c

to ECM

-

-

Standard Resistance:

Tester Connection

Condition

Specified Condition

Connected to

A67-10 (CANH) - A67-21 (CANL)

Cable disconnected from negative (-) battery terminal

108 to 132 Ω

No. 4 CAN junction connector

A67-11 (CANH) - A67-22 (CANL)

Cable disconnected from negative (-) battery terminal

108 to 132 Ω

ECM

Result

Proceed to

OK

A

NG (Line to ECM (for A25A-FKS))

B

NG (Line to ECM (for 2GR-FKS))

C

NG (Line to No. 4 CAN junction connector)

D

A

REPLACE NO. 2 CAN JUNCTION CONNECTOR

C

GO TO STEP 3

D

GO TO STEP 4

B

2.

CHECK FOR OPEN IN CAN MAIN BUS LINES (ECM - NO. 2 CAN JUNCTION CONNECTOR)

(a) Reconnect the A67 No. 2 CAN junction connector.

(b) Disconnect the A24 ECM connector.

(c) Measure the resistance according to the value(s) in the table below.

Standard Resistance:

Tester Connection

Condition

Specified Condition

A24-8 (CANH) - A24-18 (CANL)

Cable disconnected from negative (-) battery terminal

108 to 132 Ω

*a

Front view of wire harness connector

(to ECM)

OK

REPLACE ECM

NG

REPAIR OR REPLACE CAN MAIN BUS LINES OR CONNECTOR (ECM - NO. 2 CAN JUNCTION CONNECTOR)

3.

CHECK FOR OPEN IN CAN MAIN BUS LINES (ECM - NO. 2 CAN JUNCTION CONNECTOR)

(a) Reconnect the A67 No. 2 CAN junction connector.

(b) Disconnect the A21 ECM connector.

(c) Measure the resistance according to the value(s) in the table below.

Standard Resistance:

Tester Connection

Condition

Specified Condition

A21-13 (CANH) - A21-26 (CANL)

Cable disconnected from negative (-) battery terminal

108 to 132 Ω

*a

Front view of wire harness connector

(to ECM)

OK

REPLACE ECM

NG

REPAIR OR REPLACE CAN MAIN BUS LINES OR CONNECTOR (ECM - NO. 2 CAN JUNCTION CONNECTOR)

4.

CHECK FOR OPEN IN CAN MAIN BUS LINES (NO. 4 CAN JUNCTION CONNECTOR - NO. 2 CAN JUNCTION CONNECTOR)

(a) Reconnect the A67 No. 2 CAN junction connector.

(b) Disconnect the K128 No. 4 CAN junction connector.

(c) Measure the resistance according to the value(s) in the table below.

*a

Front view of wire harness connector

(to No. 4 CAN Junction Connector)

*b

to No. 2 CAN Junction Connector

Standard Resistance:

Tester Connection

Condition

Specified Condition

Connected to

K128-11 (CANH) - K128-22 (CANL)

Cable disconnected from negative (-) battery terminal

108 to 132 Ω

No. 2 CAN junction connector

NG

REPAIR OR REPLACE CAN MAIN BUS LINES OR CONNECTOR (NO. 4 CAN JUNCTION CONNECTOR - NO. 2 CAN JUNCTION CONNECTOR)

OK

5.

CHECK FOR OPEN IN CAN MAIN BUS LINES (NO. 4 CAN JUNCTION CONNECTOR)

(a) Reconnect the K128 No. 4 CAN junction connector.

(b) Disconnect the K127 No. 4 CAN junction connector.

(c) Measure the resistance according to the value(s) in the table below.

*a

Front view of wire harness connector

(to No. 4 CAN Junction Connector)

*b

to Central Gateway ECU (Network Gateway ECU)

Standard Resistance:

Tester Connection

Condition

Specified Condition

Connected to

K127-1 (CANH) - K127-12 (CANL)

Cable disconnected from negative (-) battery terminal

108 to 132 Ω

Central gateway ECU (network gateway ECU)

OK

REPLACE NO. 4 CAN JUNCTION CONNECTOR

NG

6.

CHECK FOR OPEN IN CAN MAIN BUS LINES (CENTRAL GATEWAY ECU (NETWORK GATEWAY ECU) - NO. 4 CAN JUNCTION CONNECTOR)

(a) Reconnect the K127 No. 4 CAN junction connector.

(b) Disconnect the K76 central gateway ECU (network gateway ECU) connector.

(c) Measure the resistance according to the value(s) in the table below.

Standard Resistance:

Tester Connection

Condition

Specified Condition

K76-18 (CA4H) - K76-17 (CA4L)

Cable disconnected from negative (-) battery terminal

108 to 132 Ω

*a

Front view of wire harness connector

(to Central Gateway ECU (Network Gateway ECU))

OK

REPLACE CENTRAL GATEWAY ECU (NETWORK GATEWAY ECU)

NG

REPAIR OR REPLACE CAN MAIN BUS LINES OR CONNECTOR (CENTRAL GATEWAY ECU (NETWORK GATEWAY ECU) - NO. 4 CAN JUNCTION CONNECTOR)

    READ NEXT:

     Check Bus 2 Lines for Short Circuit

    DESCRIPTION There may be a short circuit between the CAN main bus lines and/or CAN branch lines when the resistance between terminals 18 (CA4H) and 17 (CA4L) of the central gateway ECU (network gatewa

     Check Bus 2 Line for Short to +B

    DESCRIPTION There may be a short circuit between one of the CAN bus lines and +B when there is no resistance between terminal 18 (CA4H) of the central gateway ECU (network gateway ECU) and terminal 16

     Check Bus 2 Line for Short to GND

    DESCRIPTION There may be a short circuit between one of the CAN bus lines and GND when there is no resistance between terminal 18 (CA4H) of the central gateway ECU (network gateway ECU) and terminal 4

    SEE MORE:

     Evaporative Emission System Incorrect Purge Flow Actuator Stuck On (P04417E,P04417F,P04419C)

    DTC SUMMARY DTC No. Detection Item DTC Detection Condition Trouble Area MIL Memory Note P04417E Evaporative Emission System Incorrect Purge Flow Actuator Stuck On Leak detection pump creates negative pressure (vacuum) in EVAP system and EVAP system pressure

     Removal

    REMOVAL CAUTION / NOTICE / HINT The necessary procedures (adjustment, calibration, initialization or registration) that must be performed after parts are removed and installed, or replaced during canister (charcoal canister assembly) removal/installation are shown below. Necessary Procedures After

    © 2023-2026 Copyright www.tocamry.com