SYSTEM DIAGRAM
FUEL FLOW DIAGRAM
|
*A | for Direct Injection |
- | - |
|
*1 | Fuel Injector Assembly |
*2 | Throttle Body with Motor Assembly |
|
*3 | Fuel Pressure Sensor (Fuel Delivery Pipe with Sensor Assembly LH) (for High Pressure) |
*4 | Fuel Pressure Pulsation Damper Assembly |
|
*5 | Plunger |
*6 | Fuel Pump Assembly (for High Pressure) |
|
*7 | Camshaft |
*8 | Fuel Tank Assembly |
|
*9 | Fuel Main Valve Assembly (for Low Pressure) |
*10 | Fuel Main Valve Assembly (for High Pressure) |
|
*11 | Fuel Filter |
*12 | Fuel Pump (for Low Pressure) |
|
*13 | Suction Filter |
- | - |
|
*a | High Pressure Fuel Line |
*b | Low Pressure Fuel Line |
|
*c | to Fuel Injector Assembly (for Port Injection) |
- | - |
|
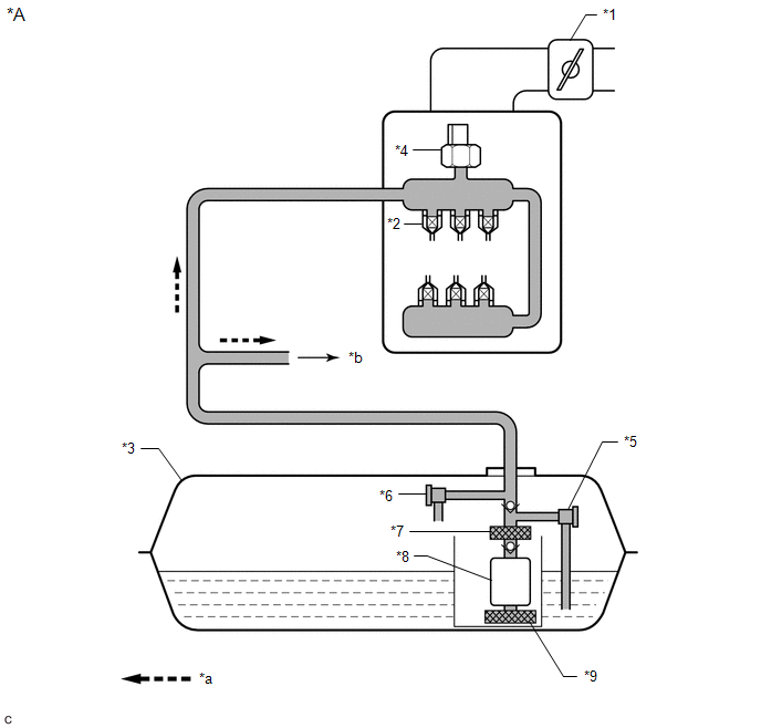
*A | for Port Injection |
- | - |
|
*1 | Throttle Body with Motor Assembly |
*2 | Fuel Injector Assembly |
|
*3 | Fuel Tank Assembly |
*4 | Fuel Pressure Sensor (Fuel Delivery Pipe with Sensor Assembly) (for Low Pressure) |
|
*5 | Fuel Main Valve Assembly (for Low Pressure) |
*6 | Fuel Main Valve Assembly (for High Pressure) |
|
*7 | Fuel Filter |
*8 | Fuel Pump (for Low Pressure) |
|
*9 | Suction Filter |
- | - |
|
*a | Low Pressure Fuel Line |
*b | to Fuel Pump Assembly (for High Pressure) |
ELECTRICAL CONTROL DIAGRAM
|
*1 | Fuel Injector Assembly (for Direct Injection) |
*2 | Fuel Injector Assembly (for Port Injection) |
|
*3 | Fuel Pressure Sensor (Fuel Delivery Pipe with Sensor Assembly LH) (for High Pressure) |
*4 | Fuel Pump Assembly (for High Pressure) |
|
*5 | ECM |
*6 | Fuel Tank Assembly |
|
*7 | Fuel Pump (for Low Pressure) |
*8 | Fuel Main Valve Assembly (for Low Pressure) |
|
*9 | Fuel Main Valve Assembly (for High Pressure) |
*10 | Fuel Filter |
|
*11 | Suction Filter |
*12 | Fuel Pressure Sensor (Fuel Delivery Pipe with Sensor Assembly) (for Low Pressure) |
|
*13 | Fuel Pump Control ECU |
*14 | EFI MAIN NO. 2 Relay |
|
*15 | Battery |
*16 | Engine Switch |
HIGH PRESSURE SIDE FUEL SYSTEM WIRING DIAGRAM
LOW PRESSURE SIDE FUEL SYSTEM WIRING DIAGRAM

On-vehicle Inspection
Precaution
Parts Location
Hood
Lost Communication With ECM/PCM "A" Missing Message (U010087,U010487,U012287)