Toyota Camry (XV70): System Diagram
SYSTEM DIAGRAM
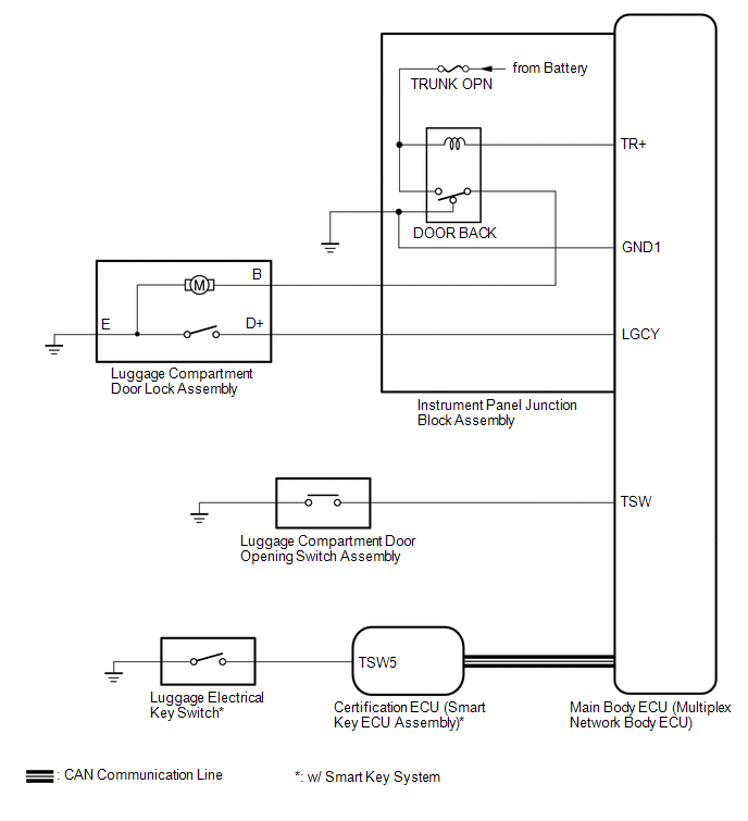
Luggage Compartment Door Opener System

Communication Table
|
Sender | Receiver |
Signal | Line |
|
Certification ECU (Smart Key ECU Assembly)* |
Main Body ECU (Multiplex Network Body ECU) |
Luggage compartment door lock assembly open operation signal |
CAN |
READ NEXT:
SYSTEM DESCRIPTION LUGGAGE COMPARTMENT DOOR OPENER SYSTEM DESCRIPTION
(a) If the luggage compartment door opening switch assembly is pressed and the luggage compartment door is closed, a luggage co
CAUTION / NOTICE / HINT
HINT:
Use the following procedure to troubleshoot the luggage compartment door opener system.
*: Use the Techstream.
PROCEDURE
1. VEHICLE BROUGHT
OPERATION CHECK CHECK CUSTOMIZE PARAMETERS NOTICE:
The operation check below is based on the non-customized initial condition of the vehicle.
Click here BASIC FUNCTION INSPECTION
(a) When t
SEE MORE:
Performing the following operations when carrying the electronic
key on your person starts the engine or changes engine
switch modes.
Starting the engine
1. Check that the parking brake is set.
2. Check that the shift lever is in P.
3. Firmly depress the brake pedal.
and a message will be di
INSPECTION PROCEDURE 1. INSPECT FUEL SENDER GAUGE ASSEMBLY
CAUTION: Perform the inspection in a well-ventilated area. Do not perform the inspection near an open flame.
(a) Check that the float moves smoothly between F and E. (b) Check the fuel sender gauge assembly voltage.
(1) Apply 5 V b