Toyota Camry owners & service manuals

Toyota Camry (XV70): Check Bus 1 Line for Short to +B

DESCRIPTION

There may be a short circuit between one of the CAN bus lines and +B when there is no resistance between terminal 23 (CA1H) of the central gateway ECU (network gateway ECU) and terminal 16 (BAT) of the DLC3, or terminal 8 (CA1L) of the central gateway ECU (network gateway ECU) and terminal 16 (BAT) of the DLC3.

Symptom

Trouble Area

There is no resistance between terminal 23 (CA1H) of the central gateway ECU (network gateway ECU) and terminal 16 (BAT) of the DLC3, or terminal 8 (CA1L) of the central gateway ECU (network gateway ECU) and terminal 16 (BAT) of the DLC3.

  • Short to +B in CAN main bus line
  • Short to +B in CAN branch line
  • Central gateway ECU (network gateway ECU)
  • Forward recognition camera

    (w/ Front Camera System)

  • Millimeter wave radar sensor assembly

    (w/ Front Camera System)

  • Blind spot monitor sensor RH

    (w/ Blind Spot Monitor System)

  • Rear television camera assembly

    (w/ Parking Assist Monitor System or Panoramic View Monitor System)

  • Clearance warning ECU assembly

    (w/ Intuitive Parking Assist System)

  • Television camera controller

    (w/ Panoramic View Monitor System)

  • No. 1 CAN junction connector
  • No. 5 CAN junction connector

    (w/ Parking Assist Monitor System or Panoramic View Monitor System)

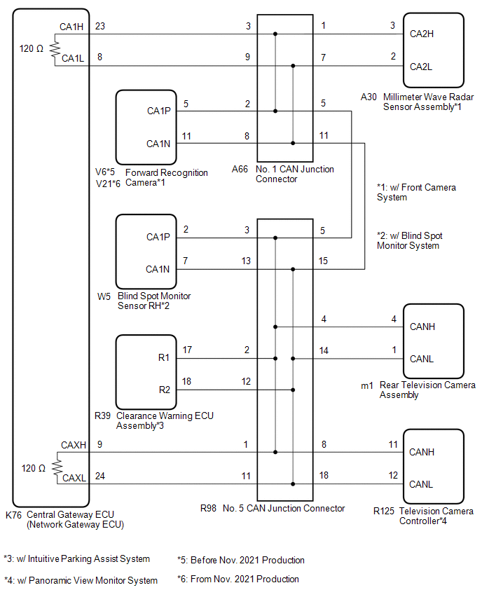
WIRING DIAGRAM

w/ Parking Assist Monitor System or Panoramic View Monitor System w/ Rear View Monitor System

CAUTION / NOTICE / HINT

CAUTION:

When performing the confirmation driving pattern, obey all speed limits and traffic laws.

NOTICE:

  • Because the order of diagnosis is important to allow correct diagnosis, make sure to begin troubleshooting using How to Proceed with Troubleshooting when CAN communication system related DTCs are output.

    Click here

    Click here

  • Before measuring the resistance of the CAN bus, turn the ignition switch off and leave the vehicle for 1 minute or more without operating the key or any switches, or opening or closing the doors. After that, disconnect the cable from the negative (-) battery terminal and leave the vehicle for 1 minute or more before measuring the resistance.
  • After turning the ignition switch off, waiting time may be required before disconnecting the cable from the negative (-) battery terminal. Therefore, make sure to read the disconnecting the cable from the negative (-) battery terminal notices before proceeding with work.

    Click here

  • After performing repairs, perform the DTC check procedure and confirm that the DTCs are not output again.

    DTC check procedure: Turn the ignition switch to ON and wait for 1 minute or more. Then operate the suspected malfunctioning system and drive the vehicle at 60 km/h (37 mph) or more for 5 minutes or more.

  • After the repair, perform the CAN bus check and check that all the ECUs and sensors connected to the CAN communication system are displayed as normal.

    Click here

HINT:

  • Before disconnecting related connectors for inspection, push in on each connector body to check that the connector is not loose or disconnected.
  • When a connector is disconnected, check that the terminals and connector body are not cracked, deformed or corroded.

PROCEDURE

1.

CHECK VEHICLE TYPE

(a) Check vehicle type.

Result

Proceed to

w/ Parking Assist Monitor System or Panoramic View Monitor System

A

w/ Rear View Monitor System

B

B

GO TO STEP 6

A

2.

CHECK FOR SHORT TO +B IN CAN BUS LINE (NO. 1 CAN JUNCTION CONNECTOR)

(a) Disconnect the cable from the negative (-) battery terminal.

(b) Disconnect the A66 No. 1 CAN junction connector.

(c) Measure the resistance according to the value(s) in the table below.

*1

DLC3

-

-

*a

Front view of wire harness connector

(to No. 1 CAN Junction Connector)

*b

to Millimeter Wave Radar Sensor Assembly

(w/ Front Camera System)

*c

to Forward Recognition Camera

(w/ Front Camera System)

*d

to Central Gateway ECU (Network Gateway ECU)

*e

to No. 5 CAN Junction Connector

-

-

Standard Resistance:

Tester Connection

Condition

Specified Condition

Connected to

A66-1 (CANH) - K138-16 (BAT)

Cable disconnected from negative (-) battery terminal

6 kΩ or higher

Millimeter wave radar sensor assembly*

A66-7 (CANL) - K138-16 (BAT)

A66-2 (CANH) - K138-16 (BAT)

Cable disconnected from negative (-) battery terminal

6 kΩ or higher

Forward recognition camera*

A66-8 (CANL) - K138-16 (BAT)

A66-3 (CANH) - K138-16 (BAT)

Cable disconnected from negative (-) battery terminal

6 kΩ or higher

Central gateway ECU (network gateway ECU)

A66-9 (CANL) - K138-16 (BAT)

A66-5 (CANH) - K138-16 (BAT)

Cable disconnected from negative (-) battery terminal

6 kΩ or higher

No. 5 CAN junction connector

A66-11 (CANL) - K138-16 (BAT)

  • *: w/ Front Camera System

Result

Proceed to

OK

A

NG (Line to central gateway ECU (network gateway ECU))

B

NG (Line to No. 5 CAN junction connector)

C

NG (Line to ECU or sensor)

D

A

REPLACE NO. 1 CAN JUNCTION CONNECTOR

C

GO TO STEP 4

D

GO TO STEP 8

B

3.

CHECK FOR SHORT TO +B IN CAN BUS LINE (NO. 1 CAN JUNCTION CONNECTOR - CENTRAL GATEWAY ECU (NETWORK GATEWAY ECU))

(a) Disconnect the K76 central gateway ECU (network gateway ECU) connector.

(b) Measure the resistance according to the value(s) in the table below.

*1

DLC3

-

-

*a

Front view of wire harness connector

(to No. 1 CAN Junction Connector)

*b

to Central Gateway ECU (Network Gateway ECU)

Standard Resistance:

Tester Connection

Condition

Specified Condition

A66-3 (CANH) - K138-16 (BAT)

Cable disconnected from negative (-) battery terminal

6 kΩ or higher

A66-9 (CANL) - K138-16 (BAT)

OK

REPLACE CENTRAL GATEWAY ECU (NETWORK GATEWAY ECU)

NG

REPAIR OR REPLACE CAN MAIN BUS LINE OR CONNECTOR (NO. 1 CAN JUNCTION CONNECTOR - CENTRAL GATEWAY ECU (NETWORK GATEWAY ECU))

4.

CHECK FOR SHORT TO +B IN CAN BUS LINE (NO. 5 CAN JUNCTION CONNECTOR)

(a) Disconnect the R98 No. 5 CAN junction connector.

(b) Measure the resistance according to the value(s) in the table below.

*1

DLC3

-

-

*a

Front view of wire harness connector

(to No. 5 CAN Junction Connector)

*b

to Central Gateway ECU (Network Gateway ECU)

*c

to Clearance Warning ECU Assembly

(w/ Intuitive Parking Assist System)

*d

to Blind Spot Monitor Sensor RH

(w/ Blind Spot Monitor System)

*e

to Rear Television Camera Assembly

*f

to No. 1 CAN Junction Connector

*g

to Television Camera Controller

(w/ Panoramic View Monitor System)

-

-

Standard Resistance:

Tester Connection

Condition

Specified Condition

Connected to

R98-1 (CANH) - K138-16 (BAT)

Cable disconnected from negative (-) battery terminal

6 kΩ or higher

Central gateway ECU (network gateway ECU)

R98-11 (CANL) - K138-16 (BAT)

R98-2 (CANH) - K138-16 (BAT)

Cable disconnected from negative (-) battery terminal

6 kΩ or higher

Clearance warning ECU assembly*1

R98-12 (CANL) - K138-16 (BAT)

R98-3 (CANH) - K138-16 (BAT)

Cable disconnected from negative (-) battery terminal

6 kΩ or higher

Blind spot monitor sensor RH*2

R98-13 (CANL) - K138-16 (BAT)

R98-4 (CANH) - K138-16 (BAT)

Cable disconnected from negative (-) battery terminal

6 kΩ or higher

Rear television camera assembly

R98-14 (CANL) - K138-16 (BAT)

R98-5 (CANH) - K138-16 (BAT)

Cable disconnected from negative (-) battery terminal

6 kΩ or higher

No. 1 CAN junction connector

R98-15 (CANL) - K138-16 (BAT)

R98-8 (CANH) - K138-16 (BAT)

Cable disconnected from negative (-) battery terminal

6 kΩ or higher

Television camera controller*3

R98-18 (CANL) - K138-16 (BAT)

  • *1: w/ Intuitive Parking Assist System
  • *2: w/ Blind Spot Monitor System
  • *3: w/ Panoramic View Monitor System

Result

Proceed to

OK

A

NG (Line to central gateway ECU (network gateway ECU))

B

NG (Line to No. 1 CAN junction connector)

C

NG (Line to ECU or sensor)

D

A

REPLACE NO. 5 CAN JUNCTION CONNECTOR

C

REPAIR OR REPLACE CAN MAIN BUS LINE OR CONNECTOR (NO. 5 CAN JUNCTION CONNECTOR - NO. 1 CAN JUNCTION CONNECTOR)

D

GO TO STEP 8

B

5.

CHECK FOR SHORT TO +B IN CAN BUS LINE (NO. 5 CAN JUNCTION CONNECTOR - CENTRAL GATEWAY ECU (NETWORK GATEWAY ECU))

(a) Disconnect the K76 central gateway ECU (network gateway ECU) connector.

(b) Measure the resistance according to the value(s) in the table below.

*1

DLC3

-

-

*a

Front view of wire harness connector

(to No. 5 CAN Junction Connector)

*b

to Central Gateway ECU (Network Gateway ECU)

Standard Resistance:

Tester Connection

Condition

Specified Condition

R98-1 (CANH) - K138-16 (BAT)

Cable disconnected from negative (-) battery terminal

6 kΩ or higher

R98-11 (CANL) - K138-16 (BAT)

OK

REPLACE CENTRAL GATEWAY ECU (NETWORK GATEWAY ECU)

NG

REPAIR OR REPLACE CAN MAIN BUS LINE OR CONNECTOR (NO. 5 CAN JUNCTION CONNECTOR - CENTRAL GATEWAY ECU (NETWORK GATEWAY ECU))

6.

CHECK FOR SHORT TO +B IN CAN BUS LINE (NO. 1 CAN JUNCTION CONNECTOR)

(a) Disconnect the cable from the negative (-) battery terminal.

(b) Disconnect the A66 No. 1 CAN junction connector.

(c) Measure the resistance according to the value(s) in the table below.

*1

DLC3

-

-

*a

Front view of wire harness connector

(to No. 1 CAN Junction Connector)

*b

to Millimeter Wave Radar Sensor Assembly

(w/ Front Camera System)

*c

to Forward Recognition Camera

(w/ Front Camera System)

*d

to Central Gateway ECU (Network Gateway ECU)

Standard Resistance:

Tester Connection

Condition

Specified Condition

Connected to

A66-1 (CANH) - K138-16 (BAT)

Cable disconnected from negative (-) battery terminal

6 kΩ or higher

Millimeter wave radar sensor assembly*

A66-7 (CANL) - K138-16 (BAT)

A66-2 (CANH) - K138-16 (BAT)

Cable disconnected from negative (-) battery terminal

6 kΩ or higher

Forward recognition camera*

A66-8 (CANL) - K138-16 (BAT)

A66-3 (CANH) - K138-16 (BAT)

Cable disconnected from negative (-) battery terminal

6 kΩ or higher

Central gateway ECU (network gateway ECU)

A66-9 (CANL) - K138-16 (BAT)

A66-5 (CANH) - K138-16 (BAT)

Cable disconnected from negative (-) battery terminal

6 kΩ or higher

Central gateway ECU (network gateway ECU)

A66-11 (CANL) - K138-16 (BAT)

  • *: w/ Front Camera System

Result

Proceed to

OK

A

NG (Line to central gateway ECU (network gateway ECU))

B

NG (Line to ECU or sensor)

C

A

REPLACE NO. 1 CAN JUNCTION CONNECTOR

C

GO TO STEP 8

B

7.

CHECK FOR SHORT TO +B IN CAN BUS LINE (NO. 1 CAN JUNCTION CONNECTOR - CENTRAL GATEWAY ECU (NETWORK GATEWAY ECU))

(a) Disconnect the K76 central gateway ECU (network gateway ECU) connector.

(b) Measure the resistance according to the value(s) in the table below.

*1

DLC3

-

-

*a

Front view of wire harness connector

(to No. 1 CAN Junction Connector)

*b

to Central Gateway ECU (Network Gateway ECU)

Standard Resistance:

Tester Connection

Condition

Specified Condition

A66-3 (CANH) - K138-16 (BAT)

Cable disconnected from negative (-) battery terminal

6 kΩ or higher

A66-9 (CANL) - K138-16 (BAT)

A66-5 (CANH) - K138-16 (BAT)

Cable disconnected from negative (-) battery terminal

6 kΩ or higher

A66-11 (CANL) - K138-16 (BAT)

OK

REPLACE CENTRAL GATEWAY ECU (NETWORK GATEWAY ECU)

NG

REPAIR OR REPLACE CAN MAIN BUS LINE OR CONNECTOR (NO. 1 CAN JUNCTION CONNECTOR - CENTRAL GATEWAY ECU (NETWORK GATEWAY ECU))

8.

CHECK FOR SHORT TO +B IN CAN BUS LINE (ECU OR SENSOR)

(a) Reconnect all wire harness connectors.

(b) Disconnect the connector that includes terminals CANH and CANL from the ECU or sensor to which the bus line shorted to +B is connected.

Click here

(c) Measure the resistance according to the value(s) in the table below.

*1

DLC3

-

-

*a

Component with harness connected

(Central Gateway ECU (Network Gateway ECU))

-

-

Standard Resistance:

Tester Connection

Condition

Specified Condition

K76-23 (CA1H) - K138-16 (BAT)

Cable disconnected from negative (-) battery terminal

6 kΩ or higher

K76-8 (CA1L) - K138-16 (BAT)

HINT:

  • If the resistance changes to 6 kΩ or higher when the connector is disconnected from the ECU or sensor, there may be a short in the ECU or sensor.
  • If the resistance does not become normal when the connector is disconnected from the ECU or sensor, check for a short to +B in the wire harness and repair or replace the wire harness or connector if necessary.
OK

REPLACE ECU OR SENSOR

NG

REPAIR OR REPLACE HARNESS OR CONNECTOR

    READ NEXT:

     Check Bus 1 Line for Short to GND

    DESCRIPTION There may be a short circuit between one of the CAN bus lines and GND when there is no resistance between terminal 23 (CA1H) of the central gateway ECU (network gateway ECU) and terminal 4

     Open in One Side of Bus 1 Branch Line

    DESCRIPTION When the CAN bus main lines are normal (no open, short to ground, short to +B or short between lines) and there is an ECU or sensor on the "Communication Bus Check" screen that is indicate

     Open in Bus 2 Main Bus Line

    DESCRIPTION There may be an open circuit in one of the CAN main bus lines when the resistance between terminals 18 (CA4H) and 17 (CA4L) of the central gateway ECU (network gateway ECU) is 70 Ω or

    SEE MORE:

     Removal

    REMOVAL CAUTION / NOTICE / HINT The necessary procedures (adjustment, calibration, initialization or registration) that must be performed after parts are removed and installed, or replaced during vacuum warning switch assembly removal/installation are shown below. Necessary Procedures After Parts

     Software Incompatibility with Body Control Module Invalid/Incompatible Software Component (U032257)

    DESCRIPTION If the vehicle information stored in the forward recognition camera does not match the vehicle information sent from the main body ECU (multiplex network body ECU), the forward recognition camera stores DTC U032257. DTC No. Detection Item DTC Detection Condition Trouble Ar

    © 2023-2026 Copyright www.tocamry.com