Toyota Camry owners & service manuals

Toyota Camry (XV70): Check Bus 3 Line for Short to GND

DESCRIPTION

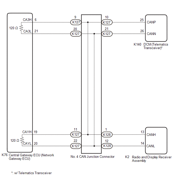
There may be a short circuit between one of the CAN bus lines and GND when there is no resistance between terminal 6 (CA3H) of the central gateway ECU (network gateway ECU) and terminal 4 (CG) of the DLC3, or terminal 21 (CA3L) of the central gateway ECU (network gateway ECU) and terminal 4 (CG) of the DLC3.

Symptom

Trouble Area

There is no resistance between terminal 6 (CA3H) of the central gateway ECU (network gateway ECU) and terminal 4 (CG) of the DLC3, or terminal 21 (CA3L) of the central gateway ECU (network gateway ECU) and terminal 4 (CG) of the DLC3.

  • Short to ground in CAN main bus line
  • Short to ground in CAN branch line
  • Central gateway ECU (network gateway ECU)
  • Radio and display receiver assembly
  • DCM (telematics transceiver)

    (w/ Telematics Transceiver)

  • No. 4 CAN junction connector

WIRING DIAGRAM

CAUTION / NOTICE / HINT

CAUTION:

When performing the confirmation driving pattern, obey all speed limits and traffic laws.

NOTICE:

  • Because the order of diagnosis is important to allow correct diagnosis, make sure to begin troubleshooting using How to Proceed with Troubleshooting when CAN communication system related DTCs are output.

    Click here

  • Before measuring the resistance of the CAN bus, turn the ignition switch off and leave the vehicle for 1 minute or more without operating the key or any switches, or opening or closing the doors. After that, disconnect the cable from the negative (-) battery terminal and leave the vehicle for 1 minute or more before measuring the resistance.
  • After turning the ignition switch off, waiting time may be required before disconnecting the cable from the negative (-) battery terminal. Therefore, make sure to read the disconnecting the cable from the negative (-) battery terminal notices before proceeding with work.

    Click here

  • After performing repairs, perform the DTC check procedure and confirm that the DTCs are not output again.

    DTC check procedure: Turn the ignition switch to ON and wait for 1 minute or more. Then operate the suspected malfunctioning system and drive the vehicle at 60 km/h (37 mph) or more for 5 minutes or more.

  • After the repair, perform the CAN bus check and check that all the ECUs and sensors connected to the CAN communication system are displayed as normal.

    Click here

  • Before replacing the DCM (telematics transceiver), refer to Registration.
    • w/ Smart Key System

      Click here

    • w/o Smart Key System

      Click here

HINT:

  • Before disconnecting related connectors for inspection, push in on each connector body to check that the connector is not loose or disconnected.
  • When a connector is disconnected, check that the terminals and connector body are not cracked, deformed or corroded.

PROCEDURE

1.

CHECK FOR SHORT TO GND IN CAN BUS LINE (NO. 4 CAN JUNCTION CONNECTOR)

(a) Disconnect the cable from the negative (-) battery terminal.

(b) Disconnect the K127 No. 4 CAN junction connector.

(c) Measure the resistance according to the value(s) in the table below.

*1

DLC3

-

-

*a

Front view of wire harness connector

(to No. 4 CAN Junction Connector)

*b

to Central Gateway ECU (Network Gateway ECU)

*c

to DCM (Telematics Transceiver)

(w/ Telematics Transceiver)

-

-

Standard Resistance:

Tester Connection

Condition

Specified Condition

Connected to

K127-9 (CANH) - K138-4 (CG)

Cable disconnected from negative (-) battery terminal

200 Ω or higher

Central gateway ECU (network gateway ECU)

K127-20 (CANL) - K138-4 (CG)

K127-10 (CANH) - K138-4 (CG)

Cable disconnected from negative (-) battery terminal

200 Ω or higher

DCM (telematics transceiver)*

K127-21 (CANL) - K138-4 (CG)

K127-11 (CANH) - K138-4 (CG)

Cable disconnected from negative (-) battery terminal

200 Ω or higher

Central gateway ECU (network gateway ECU)

K127-22 (CANL) - K138-4 (CG)

  • *: w/ Telematics Transceiver

Result

Proceed to

OK

A

NG (Line to central gateway ECU (network gateway ECU))

B

NG (Line to ECU or sensor)

C

B

GO TO STEP 3

C

GO TO STEP 4

A

2.

CHECK FOR SHORT TO GND IN CAN BUS LINE (NO. 4 CAN JUNCTION CONNECTOR)

(a) Disconnect the K128 No. 4 CAN junction connector.

(b) Measure the resistance according to the value(s) in the table below.

*1

DLC3

-

-

*a

Front view of wire harness connector

(to No. 4 CAN Junction Connector)

*b

to Radio and Display Receiver Assembly

Standard Resistance:

Tester Connection

Condition

Specified Condition

Connected to

K128-1 (CANH) - K138-4 (CG)

Cable disconnected from negative (-) battery terminal

200 Ω or higher

Radio and display receiver assembly

K128-12 (CANL) - K138-4 (CG)

OK

REPLACE NO. 4 CAN JUNCTION CONNECTOR

NG

GO TO STEP 4

3.

CHECK FOR SHORT TO GND IN CAN BUS LINE (NO. 4 CAN JUNCTION CONNECTOR - CENTRAL GATEWAY ECU (NETWORK GATEWAY ECU))

(a) Disconnect the K76 central gateway ECU (network gateway ECU) connector.

(b) Measure the resistance according to the value(s) in the table below.

*1

DLC3

-

-

*a

Front view of wire harness connector

(to No. 4 CAN Junction Connector)

*b

to Central Gateway ECU (Network Gateway ECU)

Standard Resistance:

Tester Connection

Condition

Specified Condition

K127-9 (CANH) - K138-4 (CG)

Cable disconnected from negative (-) battery terminal

200 Ω or higher

K127-20 (CANL) - K138-4 (CG)

K127-11 (CANH) - K138-4 (CG)

Cable disconnected from negative (-) battery terminal

200 Ω or higher

K127-22 (CANL) - K138-4 (CG)

OK

REPLACE CENTRAL GATEWAY ECU (NETWORK GATEWAY ECU)

NG

REPAIR OR REPLACE CAN MAIN BUS LINE OR CONNECTOR (NO. 4 CAN JUNCTION CONNECTOR - CENTRAL GATEWAY ECU (NETWORK GATEWAY ECU))

4.

CHECK FOR SHORT TO GND IN CAN BUS LINE (ECU OR SENSOR)

(a) Reconnect all wire harness connectors.

(b) Disconnect the connector that includes terminals CANH and CANL from the ECU or sensor to which the bus line shorted to GND is connected.

Click here

(c) Measure the resistance according to the value(s) in the table below.

*1

DLC3

-

-

*a

Component with harness connected

(Central Gateway ECU (Network Gateway ECU))

-

-

Standard Resistance:

Tester Connection

Condition

Specified Condition

K76-6 (CA3H) - K138-4 (CG)

Cable disconnected from negative (-) battery terminal

200 Ω or higher

K76-21 (CA3L) - K138-4 (CG)

HINT:

  • If the resistance changes to 200 Ω or higher when the connector is disconnected from the ECU or sensor, there may be a short in the ECU or sensor.
  • If the resistance does not become normal when the connector is disconnected from the ECU or sensor, check for a short to ground in the wire harness and repair or replace the wire harness or connector if necessary.
OK

REPLACE ECU OR SENSOR

NG

REPAIR OR REPLACE HARNESS OR CONNECTOR

    READ NEXT:

     Open in One Side of Bus 3 Branch Line

    DESCRIPTION When the CAN bus main lines are normal (no open, short to ground, short to +B or short between lines) and there is an ECU or sensor on the "Communication Bus Check" screen that is indicate

     Open in Bus 4 Main Bus Line

    DESCRIPTION There may be an open circuit in one of the CAN main bus lines when the resistance between terminals 22 (CA2H) and 7 (CA2L) of the central gateway ECU (network gateway ECU) is 70 Ω or

     Check Bus 4 Lines for Short Circuit

    DESCRIPTION There may be a short circuit between the CAN main bus lines and/or CAN branch lines when the resistance between terminals 22 (CA2H) and 7 (CA2L) of the central gateway ECU (network gateway

    SEE MORE:

     Left Rear Wheel Speed Sensor Circuit Short to Ground or Open (C050C14)

    DESCRIPTION Refer to DTC C050C12 Click here DTC No. Detection Item DTC Detection Condition Trouble Area C050C14 Left Rear Wheel Speed Sensor Circuit Short to Ground or Open A short or open circuit is detected in the speed sensor signal circuit for 0.12 seconds or m

     Brake Actuator Operation Sound is Loud during Initial Check

    CAUTION / NOTICE / HINT NOTICE: After replacing the skid control ECU (brake actuator assembly), perform acceleration sensor zero point calibration and system information memorization. Click here PROCEDURE 1. PERFORM ROAD TEST (a) After turning the ignition switch to ON, compare

    © 2023-2025 Copyright www.tocamry.com