Toyota Camry owners & service manuals

Toyota Camry (XV70): Open in Bus 4 Main Bus Line

DESCRIPTION

There may be an open circuit in one of the CAN main bus lines when the resistance between terminals 22 (CA2H) and 7 (CA2L) of the central gateway ECU (network gateway ECU) is 70 Ω or higher.

Symptom

Trouble Area

Resistance between terminals 22 (CA2H) and 7 (CA2L) of the central gateway ECU (network gateway ECU) is 70 Ω or higher.

  • CAN main bus lines or connector
  • Central gateway ECU (network gateway ECU)
  • Airbag sensor assembly
  • No. 2 CAN junction connector
  • No. 4 CAN junction connector
  • No. 3 junction connector

This malfunction is not related to the lines of a CAN branch or to ECUs or sensors connected to a CAN branch.

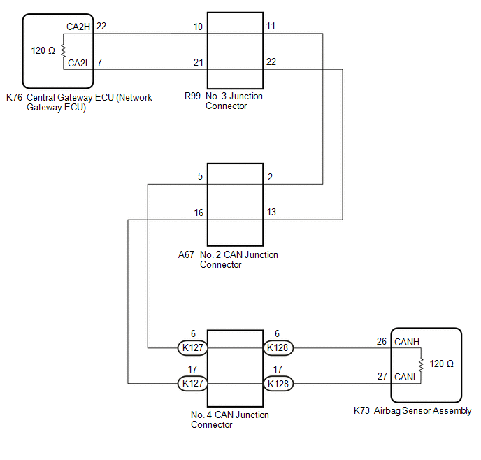
WIRING DIAGRAM

CAUTION / NOTICE / HINT

CAUTION:

When performing the confirmation driving pattern, obey all speed limits and traffic laws.

NOTICE:

  • Because the order of diagnosis is important to allow correct diagnosis, make sure to begin troubleshooting using How to Proceed with Troubleshooting when CAN communication system related DTCs are output.

    Click here

  • Before measuring the resistance of the CAN bus, turn the ignition switch off and leave the vehicle for 1 minute or more without operating the key or any switches, or opening or closing the doors. After that, disconnect the cable from the negative (-) battery terminal and leave the vehicle for 1 minute or more before measuring the resistance.
  • After turning the ignition switch off, waiting time may be required before disconnecting the cable from the negative (-) battery terminal. Therefore, make sure to read the disconnecting the cable from the negative (-) battery terminal notices before proceeding with work.

    Click here

  • After performing repairs, perform the DTC check procedure and confirm that the DTCs are not output again.

    DTC check procedure: Turn the ignition switch to ON and wait for 1 minute or more. Then operate the suspected malfunctioning system and drive the vehicle at 60 km/h (37 mph) or more for 5 minutes or more.

  • After the repair, perform the CAN bus check and check that all the ECUs and sensors connected to the CAN communication system are displayed as normal.

    Click here

HINT:

  • Before disconnecting related connectors for inspection, push in on each connector body to check that the connector is not loose or disconnected.
  • When a connector is disconnected, check that the terminals and connector body are not cracked, deformed or corroded.

PROCEDURE

1.

CHECK FOR OPEN IN CAN MAIN BUS LINES (NO. 3 JUNCTION CONNECTOR)

(a) Disconnect the cable from the negative (-) battery terminal.

(b) Disconnect the R99 No. 3 junction connector.

(c) Measure the resistance according to the value(s) in the table below.

*a

Front view of wire harness connector

(to No. 3 Junction Connector)

*b

to Central Gateway ECU (Network Gateway ECU)

*c

to No. 2 CAN Junction Connector

-

-

Standard Resistance:

Tester Connection

Condition

Specified Condition

Connected to

R99-10 (CANH) - R99-21 (CANL)

Cable disconnected from negative (-) battery terminal

108 to 132 Ω

Central gateway ECU (network gateway ECU)

R99-11 (CANH) - R99-22 (CANL)

Cable disconnected from negative (-) battery terminal

108 to 132 Ω

No. 2 CAN junction connector

Result

Proceed to

OK

A

NG (Line to central gateway ECU (network gateway ECU))

B

NG (Line to No. 2 CAN junction connector)

C

A

REPLACE NO. 3 JUNCTION CONNECTOR

C

GO TO STEP 3

B

2.

CHECK FOR OPEN IN CAN MAIN BUS LINES (CENTRAL GATEWAY ECU (NETWORK GATEWAY ECU) - NO. 3 JUNCTION CONNECTOR)

(a) Reconnect the R99 No. 3 junction connector.

(b) Disconnect the K76 central gateway ECU (network gateway ECU) connector.

(c) Measure the resistance according to the value(s) in the table below.

Standard Resistance:

Tester Connection

Condition

Specified Condition

K76-22 (CA2H) - K76-7 (CA2L)

Cable disconnected from negative (-) battery terminal

108 to 132 Ω

*a

Front view of wire harness connector

(to Central Gateway ECU (Network Gateway ECU))

OK

REPLACE CENTRAL GATEWAY ECU (NETWORK GATEWAY ECU)

NG

REPAIR OR REPLACE CAN MAIN BUS LINES OR CONNECTOR (CENTRAL GATEWAY ECU (NETWORK GATEWAY ECU) - NO. 3 JUNCTION CONNECTOR)

3.

CHECK FOR OPEN IN CAN MAIN BUS LINES (NO. 2 CAN JUNCTION CONNECTOR)

(a) Reconnect the R99 No. 3 junction connector.

(b) Disconnect the A67 No. 2 CAN junction connector.

(c) Measure the resistance according to the value(s) in the table below.

*a

Front view of wire harness connector

(to No. 2 CAN Junction Connector)

*b

to No. 3 Junction Connector

*c

to No. 4 CAN Junction Connector

-

-

Standard Resistance:

Tester Connection

Condition

Specified Condition

Connected to

A67-2 (CANH) - A67-13 (CANL)

Cable disconnected from negative (-) battery terminal

108 to 132 Ω

No. 3 junction connector

A67-5 (CANH) - A67-16 (CANL)

Cable disconnected from negative (-) battery terminal

108 to 132 Ω

No. 4 CAN junction connector

Result

Proceed to

OK

A

NG (Line to No. 3 junction connector)

B

NG (Line to No. 4 CAN junction connector)

C

A

REPLACE NO. 2 CAN JUNCTION CONNECTOR

B

REPAIR OR REPLACE CAN MAIN BUS LINES OR CONNECTOR (NO. 2 CAN JUNCTION CONNECTOR - NO. 3 JUNCTION CONNECTOR)

C

4.

CHECK FOR OPEN IN CAN MAIN BUS LINES (NO. 4 CAN JUNCTION CONNECTOR - NO. 2 CAN JUNCTION CONNECTOR)

(a) Reconnect the A67 No. 2 CAN junction connector.

(b) Disconnect the K127 No. 4 CAN junction connector.

(c) Measure the resistance according to the value(s) in the table below.

*a

Front view of wire harness connector

(to No. 4 CAN Junction Connector)

*b

to No. 2 CAN Junction Connector

Standard Resistance:

Tester Connection

Condition

Specified Condition

Connected to

K127-6 (CANH) - K127-17 (CANL)

Cable disconnected from negative (-) battery terminal

108 to 132 Ω

No. 2 CAN junction connector

NG

REPAIR OR REPLACE CAN MAIN BUS LINES OR CONNECTOR (NO. 4 CAN JUNCTION CONNECTOR - NO. 2 CAN JUNCTION CONNECTOR)

OK

5.

CHECK FOR OPEN IN CAN MAIN BUS LINES (NO. 4 CAN JUNCTION CONNECTOR)

(a) Reconnect the K127 No. 4 CAN junction connector.

(b) Disconnect the K128 No. 4 CAN junction connector.

(c) Measure the resistance according to the value(s) in the table below.

*a

Front view of wire harness connector

(to No. 4 CAN Junction Connector)

*b

to Airbag Sensor Assembly

Standard Resistance:

Tester Connection

Condition

Specified Condition

Connected to

K128-6 (CANH) - K128-17 (CANL)

Cable disconnected from negative (-) battery terminal

108 to 132 Ω

Airbag sensor assembly

OK

REPLACE NO. 4 CAN JUNCTION CONNECTOR

NG

6.

CHECK FOR OPEN IN CAN MAIN BUS LINES (AIRBAG SENSOR ASSEMBLY - NO. 4 CAN JUNCTION CONNECTOR)

(a) Reconnect the K128 No. 4 CAN junction connector.

(b) Disconnect the K73 airbag sensor assembly connector.

(c) Measure the resistance according to the value(s) in the table below.

Standard Resistance:

Tester Connection

Condition

Specified Condition

K73-26 (CANH) - K73-27 (CANL)

Cable disconnected from negative (-) battery terminal

108 to 132 Ω

*a

Front view of wire harness connector

(to Airbag Sensor Assembly)

OK

REPLACE AIRBAG SENSOR ASSEMBLY

NG

REPAIR OR REPLACE CAN MAIN BUS LINES OR CONNECTOR (AIRBAG SENSOR ASSEMBLY - NO. 4 CAN JUNCTION CONNECTOR)

    READ NEXT:

     Check Bus 4 Lines for Short Circuit

    DESCRIPTION There may be a short circuit between the CAN main bus lines and/or CAN branch lines when the resistance between terminals 22 (CA2H) and 7 (CA2L) of the central gateway ECU (network gateway

     Check Bus 4 Line for Short to +B

    DESCRIPTION There may be a short circuit between one of the CAN bus lines and +B when there is no resistance between terminal 22 (CA2H) of the central gateway ECU (network gateway ECU) and terminal 16

     Check Bus 4 Line for Short to GND

    DESCRIPTION There may be a short circuit between one of the CAN bus lines and GND when there is no resistance between terminal 22 (CA2H) of the central gateway ECU (network gateway ECU) and terminal 4

    SEE MORE:

     Camshaft Position Sensor "A" Bank 1 or Single Sensor Circuit Short to Ground (P034011,P034015,P034511,P034515)

    DESCRIPTION The VVT sensor (for intake camshaft) (VV1, VV2 signal) consists of a magnet and MRE (Magneto Resistance Element). The intake camshaft has a timing rotor for the VVT sensor. When the intake camshaft rotates, changes occur in the air gaps between the timing rotor and MRE, which affects t

     Reassembly

    REASSEMBLY PROCEDURE 1. INSTALL VACUUM WARNING SWITCH ASSEMBLY (a) Install a new check valve grommet to the brake booster assembly. (b) Install the vacuum warning switch assembly to the brake booster assembly as shown in the illustration. *a 30

    © 2023-2025 Copyright www.tocamry.com