Toyota Camry owners & service manuals

Toyota Camry (XV70): Check Bus 4 Line for Short to GND

DESCRIPTION

There may be a short circuit between one of the CAN bus lines and GND when there is no resistance between terminal 22 (CA2H) of the central gateway ECU (network gateway ECU) and terminal 4 (CG) of the DLC3, or terminal 7 (CA2L) of the central gateway ECU (network gateway ECU) and terminal 4 (CG) of the DLC3.

Symptom

Trouble Area

There is no resistance between terminal 22 (CA2H) of the central gateway ECU (network gateway ECU) and terminal 4 (CG) of the DLC3, or terminal 7 (CA2L) of the central gateway ECU (network gateway ECU) and terminal 4 (CG) of the DLC3.

  • Short to ground in CAN main bus line
  • Short to ground in CAN branch line
  • Central gateway ECU (network gateway ECU)
  • Occupant detection ECU
  • Tire pressure warning ECU and receiver

    (for Tire Pressure Warning System with Tire Inflation Pressure Display Function)

  • Rack and pinion power steering gear assembly
  • Brake actuator assembly
  • Steering sensor
  • 4WD ECU assembly

    (for AWD)

  • Airbag sensor assembly
  • No. 2 CAN junction connector
  • No. 4 CAN junction connector
  • No. 3 junction connector

WIRING DIAGRAM

CAUTION / NOTICE / HINT

CAUTION:

When performing the confirmation driving pattern, obey all speed limits and traffic laws.

NOTICE:

  • Because the order of diagnosis is important to allow correct diagnosis, make sure to begin troubleshooting using How to Proceed with Troubleshooting when CAN communication system related DTCs are output.

    Click here

  • Before measuring the resistance of the CAN bus, turn the ignition switch off and leave the vehicle for 1 minute or more without operating the key or any switches, or opening or closing the doors. After that, disconnect the cable from the negative (-) battery terminal and leave the vehicle for 1 minute or more before measuring the resistance.
  • After turning the ignition switch off, waiting time may be required before disconnecting the cable from the negative (-) battery terminal. Therefore, make sure to read the disconnecting the cable from the negative (-) battery terminal notices before proceeding with work.

    Click here

  • After performing repairs, perform the DTC check procedure and confirm that the DTCs are not output again.

    DTC check procedure: Turn the ignition switch to ON and wait for 1 minute or more. Then operate the suspected malfunctioning system and drive the vehicle at 60 km/h (37 mph) or more for 5 minutes or more.

  • After the repair, perform the CAN bus check and check that all the ECUs and sensors connected to the CAN communication system are displayed as normal.

    Click here

HINT:

  • Before disconnecting related connectors for inspection, push in on each connector body to check that the connector is not loose or disconnected.
  • When a connector is disconnected, check that the terminals and connector body are not cracked, deformed or corroded.

PROCEDURE

1.

CHECK FOR SHORT TO GND IN CAN BUS LINE (NO. 3 JUNCTION CONNECTOR)

(a) Disconnect the cable from the negative (-) battery terminal.

(b) Disconnect the R99 No. 3 junction connector.

(c) Measure the resistance according to the value(s) in the table below.

*1

DLC3

-

-

*a

Front view of wire harness connector

(to No. 3 Junction Connector)

*b

to Tire Pressure Warning ECU and Receiver

(for Tire Pressure Warning System with Tire Inflation Pressure Display Function)

*c

to Occupant Detection ECU

*d

to Central Gateway ECU (Network Gateway ECU)

*e

to No. 2 CAN Junction Connector

-

-

Standard Resistance:

Tester Connection

Condition

Specified Condition

Connected to

R99-8 (CANH) - K138-4 (CG)

Cable disconnected from negative (-) battery terminal

200 Ω or higher

Tire pressure warning ECU and receiver*

R99-19 (CANL) - K138-4 (CG)

R99-9 (CANH) - K138-4 (CG)

Cable disconnected from negative (-) battery terminal

200 Ω or higher

Occupant detection ECU

R99-20 (CANL) - K138-4 (CG)

R99-10 (CANH) - K138-4 (CG)

Cable disconnected from negative (-) battery terminal

200 Ω or higher

Central gateway ECU (network gateway ECU)

R99-21 (CANL) - K138-4 (CG)

R99-11 (CANH) - K138-4 (CG)

Cable disconnected from negative (-) battery terminal

200 Ω or higher

No. 2 CAN junction connector

R99-22 (CANL) - K138-4 (CG)

  • *: for Tire Pressure Warning System with Tire Inflation Pressure Display Function

Result

Proceed to

OK

A

NG (Line to central gateway ECU (network gateway ECU))

B

NG (Line to No. 2 CAN junction connector)

C

NG (Line to ECU or sensor)

D

A

REPLACE NO. 3 JUNCTION CONNECTOR

C

GO TO STEP 3

D

GO TO STEP 7

B

2.

CHECK FOR SHORT TO GND IN CAN BUS LINE (NO. 3 JUNCTION CONNECTOR - CENTRAL GATEWAY ECU (NETWORK GATEWAY ECU))

(a) Disconnect the K76 central gateway ECU (network gateway ECU) connector.

(b) Measure the resistance according to the value(s) in the table below.

*1

DLC3

-

-

*a

Front view of wire harness connector

(to No. 3 Junction Connector)

*b

to Central Gateway ECU (Network Gateway ECU)

Standard Resistance:

Tester Connection

Condition

Specified Condition

R99-10 (CANH) - K138-4 (CG)

Cable disconnected from negative (-) battery terminal

200 Ω or higher

R99-21 (CANL) - K138-4 (CG)

OK

REPLACE CENTRAL GATEWAY ECU (NETWORK GATEWAY ECU)

NG

REPAIR OR REPLACE CAN MAIN BUS LINE OR CONNECTOR (NO. 3 JUNCTION CONNECTOR - CENTRAL GATEWAY ECU (NETWORK GATEWAY ECU))

3.

CHECK FOR SHORT TO GND IN CAN BUS LINE (NO. 2 CAN JUNCTION CONNECTOR)

(a) Disconnect the A67 No. 2 CAN junction connector.

(b) Measure the resistance according to the value(s) in the table below.

*1

DLC3

-

-

*a

Front view of wire harness connector

(to No. 2 CAN Junction Connector)

*b

to Brake Actuator Assembly

*c

to No. 3 Junction Connector

*d

to Rack and Pinion Power Steering Gear Assembly

*e

to No. 4 CAN Junction Connector

*f

to 4WD ECU Assembly

(for AWD)

Standard Resistance:

Tester Connection

Condition

Specified Condition

Connected to

A67-1 (CANH) - K138-4 (CG)

Cable disconnected from negative (-) battery terminal

200 Ω or higher

Brake actuator assembly

A67-12 (CANL) - K138-4 (CG)

A67-2 (CANH) - K138-4 (CG)

Cable disconnected from negative (-) battery terminal

200 Ω or higher

No. 3 junction connector

A67-13 (CANL) - K138-4 (CG)

A67-4 (CANH) - K138-4 (CG)

Cable disconnected from negative (-) battery terminal

200 Ω or higher

Rack and pinion power steering gear assembly

A67-15 (CANL) - K138-4 (CG)

A67-5 (CANH) - K138-4 (CG)

Cable disconnected from negative (-) battery terminal

200 Ω or higher

No. 4 CAN junction connector

A67-16 (CANL) - K138-4 (CG)

A67-6 (CANH) - K138-4 (CG)

Cable disconnected from negative (-) battery terminal

200 Ω or higher

4WD ECU Assembly*

A67-17 (CANL) - K138-4 (CG)

  • *: for AWD

Result

Proceed to

OK

A

NG (Line to No. 3 junction connector)

B

NG (Line to No. 4 CAN junction connector)

C

NG (Line to ECU or sensor)

D

A

REPLACE NO. 2 CAN JUNCTION CONNECTOR

B

REPAIR OR REPLACE CAN MAIN BUS LINE OR CONNECTOR (NO. 2 CAN JUNCTION CONNECTOR - NO. 3 JUNCTION CONNECTOR)

D

GO TO STEP 7

C

4.

CHECK FOR SHORT TO GND IN CAN BUS LINE (NO. 4 CAN JUNCTION CONNECTOR)

(a) Disconnect the K128 No. 4 CAN junction connector.

(b) Measure the resistance according to the value(s) in the table below.

*1

DLC3

-

-

*a

Front view of wire harness connector

(to No. 4 CAN Junction Connector)

*b

to Airbag Sensor Assembly

Standard Resistance:

Tester Connection

Condition

Specified Condition

Connected to

K128-6 (CANH) - K138-4 (CG)

Cable disconnected from negative (-) battery terminal

200 Ω or higher

Airbag sensor assembly

K128-17 (CANL) - K138-4 (CG)

NG

GO TO STEP 6

OK

5.

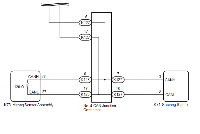
CHECK FOR SHORT TO GND IN CAN BUS LINE (NO. 4 CAN JUNCTION CONNECTOR)

(a) Disconnect the K127 No. 4 CAN junction connector.

(b) Measure the resistance according to the value(s) in the table below.

*1

DLC3

-

-

*a

Front view of wire harness connector

(to No. 4 CAN Junction Connector)

*b

to No. 2 CAN Junction Connector

*c

to Steering Sensor

-

-

Standard Resistance:

Tester Connection

Condition

Specified Condition

Connected to

K127-6 (CANH) - K138-4 (CG)

Cable disconnected from negative (-) battery terminal

200 Ω or higher

No. 2 CAN junction connector

K127-17 (CANL) - K138-4 (CG)

K127-7 (CANH) - K138-4 (CG)

Cable disconnected from negative (-) battery terminal

200 Ω or higher

Steering sensor

K127-18 (CANL) - K138-4 (CG)

Result

Proceed to

OK

A

NG (Line to No. 2 CAN junction connector)

B

NG (Line to ECU or sensor)

C

A

REPLACE NO. 4 CAN JUNCTION CONNECTOR

B

REPAIR OR REPLACE CAN MAIN BUS LINE OR CONNECTOR (NO. 4 CAN JUNCTION CONNECTOR - NO. 2 CAN JUNCTION CONNECTOR)

C

GO TO STEP 7

6.

CHECK FOR SHORT TO GND IN CAN BUS LINE (NO. 4 CAN JUNCTION CONNECTOR - AIRBAG SENSOR ASSEMBLY)

(a) Disconnect the K73 airbag sensor assembly connector.

(b) Measure the resistance according to the value(s) in the table below.

*1

DLC3

-

-

*a

Front view of wire harness connector

(to No. 4 CAN Junction Connector)

*b

to Airbag Sensor Assembly

Standard Resistance:

Tester Connection

Condition

Specified Condition

K128-6 (CANH) - K138-4 (CG)

Cable disconnected from negative (-) battery terminal

200 Ω or higher

K128-17 (CANL) - K138-4 (CG)

OK

REPLACE AIRBAG SENSOR ASSEMBLY

NG

REPAIR OR REPLACE CAN MAIN BUS LINE OR CONNECTOR (NO. 4 CAN JUNCTION CONNECTOR - AIRBAG SENSOR ASSEMBLY)

7.

CHECK FOR SHORT TO GND IN CAN BUS LINE (ECU OR SENSOR)

(a) Reconnect all wire harness connectors.

(b) Disconnect the connector that includes terminals CANH and CANL from the ECU or sensor to which the bus line shorted to GND is connected.

Click here

(c) Measure the resistance according to the value(s) in the table below.

*1

DLC3

-

-

*a

Component with harness connected

(Central Gateway ECU (Network Gateway ECU))

-

-

Standard Resistance:

Tester Connection

Condition

Specified Condition

K76-22 (CA2H) - K138-4 (CG)

Cable disconnected from negative (-) battery terminal

200 Ω or higher

K76-7 (CA2L) - K138-4 (CG)

HINT:

  • If the resistance changes to 200 Ω or higher when the connector is disconnected from the ECU or sensor, there may be a short in the ECU or sensor.
  • If the resistance does not become normal when the connector is disconnected from the ECU or sensor, check for a short to ground in the wire harness and repair or replace the wire harness or connector if necessary.
OK

REPLACE ECU OR SENSOR

NG

REPAIR OR REPLACE HARNESS OR CONNECTOR

    READ NEXT:

     Open in One Side of Bus 4 Branch Line

    DESCRIPTION When the CAN bus main lines are normal (no open, short to ground, short to +B or short between lines) and there is an ECU or sensor on the "Communication Bus Check" screen that is indicate

     Open in Bus 5 Main Bus Line

    DESCRIPTION There may be an open circuit in one of the CAN main bus lines when the resistance between terminals 15 (CA5H) and 16 (CA5L) of the central gateway ECU (network gateway ECU) is 70 Ω or

     Check Bus 5 Lines for Short Circuit

    DESCRIPTION There may be a short circuit between the CAN main bus lines and/or CAN branch lines when the resistance between terminals 15 (CA5H) and 16 (CA5L) of the central gateway ECU (network gatewa

    SEE MORE:

     Open in Bus 5 Main Bus Line

    DESCRIPTION There may be an open circuit in one of the CAN main bus lines when the resistance between terminals 15 (CA5H) and 16 (CA5L) of the central gateway ECU (network gateway ECU) is 70 Ω or higher. Symptom Trouble Area Resistance between terminals 15 (CA5H) and 16 (CA5L) o

     Pressure Control Solenoid "D" Circuit Short to Battery (P271312)

    DESCRIPTION Refer to DTC P27137F. Click here DTC No. Detection Item DTC Detection Condition Trouble Area MIL Memory Note P271312 Pressure Control Solenoid "D" Circuit Short to Battery While the engine is running, a short to +B is detected in the soleno

    © 2023-2025 Copyright www.tocamry.com