Toyota Camry owners & service manuals

Toyota Camry (XV70): Open in Bus 5 Main Bus Line

DESCRIPTION

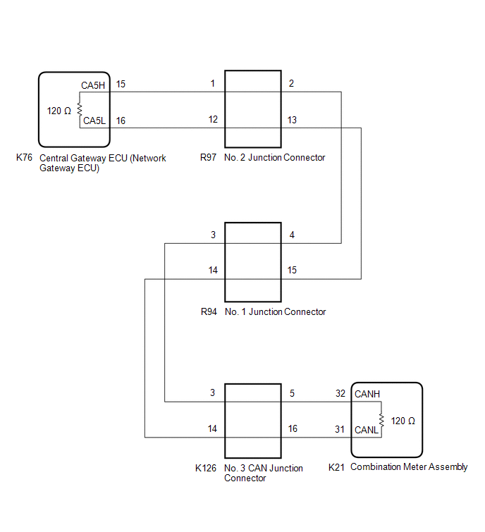
There may be an open circuit in one of the CAN main bus lines when the resistance between terminals 15 (CA5H) and 16 (CA5L) of the central gateway ECU (network gateway ECU) is 70 Ω or higher.

Symptom

Trouble Area

Resistance between terminals 15 (CA5H) and 16 (CA5L) of the central gateway ECU (network gateway ECU) is 70 Ω or higher.

  • CAN main bus lines or connector
  • Central gateway ECU (network gateway ECU)
  • Combination meter assembly
  • No. 3 CAN junction connector
  • No. 1 junction connector
  • No. 2 junction connector

This malfunction is not related to the lines of a CAN branch or to ECUs or sensors connected to a CAN branch.

WIRING DIAGRAM

CAUTION / NOTICE / HINT

CAUTION:

When performing the confirmation driving pattern, obey all speed limits and traffic laws.

NOTICE:

  • Because the order of diagnosis is important to allow correct diagnosis, make sure to begin troubleshooting using How to Proceed with Troubleshooting when CAN communication system related DTCs are output.

    Click here

  • Before measuring the resistance of the CAN bus, turn the ignition switch off and leave the vehicle for 1 minute or more without operating the key or any switches, or opening or closing the doors. After that, disconnect the cable from the negative (-) battery terminal and leave the vehicle for 1 minute or more before measuring the resistance.
  • After turning the ignition switch off, waiting time may be required before disconnecting the cable from the negative (-) battery terminal. Therefore, make sure to read the disconnecting the cable from the negative (-) battery terminal notices before proceeding with work.

    Click here

  • After performing repairs, perform the DTC check procedure and confirm that the DTCs are not output again.

    DTC check procedure: Turn the ignition switch to ON and wait for 1 minute or more. Then operate the suspected malfunctioning system and drive the vehicle at 60 km/h (37 mph) or more for 5 minutes or more.

  • After the repair, perform the CAN bus check and check that all the ECUs and sensors connected to the CAN communication system are displayed as normal.

    Click here

HINT:

  • Before disconnecting related connectors for inspection, push in on each connector body to check that the connector is not loose or disconnected.
  • When a connector is disconnected, check that the terminals and connector body are not cracked, deformed or corroded.

PROCEDURE

1.

CHECK FOR OPEN IN CAN MAIN BUS LINES (NO. 2 JUNCTION CONNECTOR)

(a) Disconnect the cable from the negative (-) battery terminal.

(b) Disconnect the R97 No. 2 junction connector.

(c) Measure the resistance according to the value(s) in the table below.

*a

Front view of wire harness connector

(to No. 2 Junction Connector)

*b

to Central Gateway ECU (Network Gateway ECU)

*c

to No. 1 Junction Connector

-

-

Standard Resistance:

Tester Connection

Condition

Specified Condition

Connected to

R97-1 (CANH) - R97-12 (CANL)

Cable disconnected from negative (-) battery terminal

108 to 132 Ω

Central gateway ECU (network gateway ECU)

R97-2 (CANH) - R97-13 (CANL)

Cable disconnected from negative (-) battery terminal

108 to 132 Ω

No. 1 junction connector

Result

Proceed to

OK

A

NG (Line to central gateway ECU (network gateway ECU))

B

NG (Line to No. 1 junction connector)

C

A

REPLACE NO. 2 JUNCTION CONNECTOR

C

GO TO STEP 3

B

2.

CHECK FOR OPEN IN CAN MAIN BUS LINES (CENTRAL GATEWAY ECU (NETWORK GATEWAY ECU) - NO. 2 JUNCTION CONNECTOR)

(a) Reconnect the R97 No. 2 junction connector.

(b) Disconnect the K76 central gateway ECU (network gateway ECU) connector.

(c) Measure the resistance according to the value(s) in the table below.

Standard Resistance:

Tester Connection

Condition

Specified Condition

K76-15 (CA5H) - K76-16 (CA5L)

Cable disconnected from negative (-) battery terminal

108 to 132 Ω

*a

Front view of wire harness connector

(to Central Gateway ECU (Network Gateway ECU))

OK

REPLACE CENTRAL GATEWAY ECU (NETWORK GATEWAY ECU)

NG

REPAIR OR REPLACE CAN MAIN BUS LINES OR CONNECTOR (CENTRAL GATEWAY ECU (NETWORK GATEWAY ECU) - NO. 2 JUNCTION CONNECTOR)

3.

CHECK FOR OPEN IN CAN MAIN BUS LINES (NO. 1 JUNCTION CONNECTOR)

(a) Reconnect the R97 No. 2 junction connector.

(b) Disconnect the R94 No. 1 junction connector.

(c) Measure the resistance according to the value(s) in the table below.

*a

Front view of wire harness connector

(to No. 1 Junction Connector)

*b

to No. 3 CAN Junction Connector

*c

to No. 2 Junction Connector

-

-

Standard Resistance:

Tester Connection

Condition

Specified Condition

Connected to

R94-3 (CANH) - R94-14 (CANL)

Cable disconnected from negative (-) battery terminal

108 to 132 Ω

No. 3 CAN junction connector

R94-4 (CANH) - R94-15 (CANL)

Cable disconnected from negative (-) battery terminal

108 to 132 Ω

No. 2 junction connector

Result

Proceed to

OK

A

NG (Line to No. 2 junction connector)

B

NG (Line to No. 3 CAN junction connector)

C

A

REPLACE NO. 1 JUNCTION CONNECTOR

B

REPAIR OR REPLACE CAN MAIN BUS LINES OR CONNECTOR (NO. 1 JUNCTION CONNECTOR - NO. 2 JUNCTION CONNECTOR)

C

4.

CHECK FOR OPEN IN CAN MAIN BUS LINES (NO. 3 CAN JUNCTION CONNECTOR)

(a) Reconnect the R94 No. 1 junction connector.

(b) Disconnect the K126 No. 3 CAN junction connector.

(c) Measure the resistance according to the value(s) in the table below.

*a

Front view of wire harness connector

(to No. 3 CAN Junction Connector)

*b

to No. 1 Junction Connector

*c

to Combination Meter Assembly

-

-

Standard Resistance:

Tester Connection

Condition

Specified Condition

Connected to

K126-3 (CANH) - K126-14 (CANL)

Cable disconnected from negative (-) battery terminal

108 to 132 Ω

No. 1 junction connector

K126-5 (CANH) - K126-16 (CANL)

Cable disconnected from negative (-) battery terminal

108 to 132 Ω

Combination meter assembly

Result

Proceed to

OK

A

NG (Line to No. 1 junction connector)

B

NG (Line to combination meter assembly)

C

A

REPLACE NO. 3 CAN JUNCTION CONNECTOR

B

REPAIR OR REPLACE CAN MAIN BUS LINES OR CONNECTOR (NO. 3 CAN JUNCTION CONNECTOR - NO. 1 JUNCTION CONNECTOR)

C

5.

CHECK FOR OPEN IN CAN MAIN BUS LINES (COMBINATION METER ASSEMBLY - NO. 3 CAN JUNCTION CONNECTOR)

(a) Reconnect the K126 No. 3 CAN junction connector.

(b) Disconnect the K21 combination meter assembly connector.

(c) Measure the resistance according to the value(s) in the table below.

Standard Resistance:

Tester Connection

Condition

Specified Condition

K21-32 (CANH) - K21-31 (CANL)

Cable disconnected from negative (-) battery terminal

108 to 132 Ω

*a

Front view of wire harness connector

(to Combination Meter Assembly)

OK

REPLACE COMBINATION METER ASSEMBLY

NG

REPAIR OR REPLACE CAN MAIN BUS LINES OR CONNECTOR (COMBINATION METER ASSEMBLY - NO. 3 CAN JUNCTION CONNECTOR)

    READ NEXT:

     Check Bus 5 Lines for Short Circuit

    DESCRIPTION There may be a short circuit between the CAN main bus lines and/or CAN branch lines when the resistance between terminals 15 (CA5H) and 16 (CA5L) of the central gateway ECU (network gatewa

     Check Bus 5 Line for Short to +B

    DESCRIPTION There may be a short circuit between one of the CAN bus lines and +B when there is no resistance between terminal 15 (CA5H) of the central gateway ECU (network gateway ECU) and terminal 16

     Check Bus 5 Line for Short to GND

    DESCRIPTION There may be a short circuit between one of the CAN bus lines and GND when there is no resistance between terminal 15 (CA5H) of the central gateway ECU (network gateway ECU) and terminal 4

    SEE MORE:

     Pressure Control Solenoid "L" Circuit Short to Battery (P08BA12)

    DESCRIPTION Changing gears is performed by the ECM turning the solenoid (SL1, SL2, SL3, SL4, SL5 and SL6) valves on and off. If an open or short occurs in any of the solenoid valve circuits, the ECM controls the remaining normal solenoid valves to allow the vehicle to be driven. If all of the sole

     Portable Player cannot be Connected Manually/Automatically

    CAUTION / NOTICE / HINT HINT: Some versions of "Bluetooth" compatible audio players may not function properly, or the functions may be limited using the radio and display receiver assembly, even if the portable audio player itself can play files. Click here PROCEDURE 1. CHECK

    © 2023-2026 Copyright www.tocamry.com