Toyota Camry owners & service manuals

Toyota Camry (XV70): Fuel Lid Opener does not Operate

DESCRIPTION

When the fuel lid opener switch is pushed for 0.8 second, the main body ECU (multiplex network ECU) turns on the FUEL OPN relay, and the fuel lid lock with motor assembly opens the fuel lid.

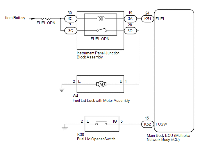
WIRING DIAGRAM

CAUTION / NOTICE / HINT

NOTICE:

  • Inspect the fuses for circuits related to this system before performing the following procedure.
  • Before replacing the main body ECU (multiplex network body ECU), refer to Registration.

    Click here

PROCEDURE

1.

PERFORM ACTIVE TEST USING TECHSTREAM (FUEL LID OPENER)

(a) Connect the Techstream to the DLC3.

(b) Turn the ignition switch to ON.

(c) Turn the Techstream on.

(d) Enter the following menus: Body Electrical / Main Body / Active Test.

(e) Perform the Active Test according to the display on the Techstream.

Body Electrical > Main Body > Active Test

Tester Display

Measurement Item

Control Range

Diagnostic Note

Fuel Lid Opener

Fuel lid lock with motor assembly

OFF/ON

-

Body Electrical > Main Body > Active Test

Tester Display

Fuel Lid Opener

OK:

The fuel lid lock with motor assembly operates normally.

NG

GO TO STEP 5

OK

2.

READ VALUE USING TECHSTREAM (FUEL LID OPENER SWITCH)

(a) Enter the following menus: Body Electrical / Main Body / Data List.

(b) Read the Data List according to the display on the Techstream.

Body Electrical > Main Body > Data List

Tester Display

Measurement Item

Range

Normal Condition

Diagnostic Note

Fuel Lid Opener Switch

Fuel lid opener switch status

OFF or ON

OFF: Fuel lid opener switch not pushed

ON: Fuel lid opener switch pushed

-

OK:

The Techstream display changes correctly in response to the operation of the fuel lid opener switch.

OK

REPLACE MAIN BODY ECU (MULTIPLEX NETWORK BODY ECU)

NG

3.

INSPECT FUEL LID OPENER SWITCH

(a) Remove the fuel lid opener switch.

Click here

(b) Inspect the fuel lid opener switch.

Click here

NG

Click here

Click here REPLACE FUEL LID OPENER SWITCH

OK

4.

CHECK HARNESS AND CONNECTOR (FUEL LID OPENER SWITCH - MAIN BODY ECU (MULTIPLEX NETWORK BODY ECU) AND BODY GROUND)

(a) Disconnect the K52 main body ECU (multiplex network body ECU) connector.

(b) Measure the resistance according to the value(s) in the table below.

Standard Resistance:

Tester Connection

Condition

Specified Condition

K38-5 (IG) - K52-15 (FUSW)

Always

Below 1 Ω

K38-2 (E) - Body ground

Always

Below 1 Ω

K38-5 (IG) or K52-15 (FUSW) - Body ground

Always

10 kΩ or higher

OK

REPLACE MAIN BODY ECU (MULTIPLEX NETWORK BODY ECU)

NG

REPAIR OR REPLACE HARNESS OR CONNECTOR

5.

INSPECT FUEL LID LOCK WITH MOTOR ASSEMBLY

(a) Remove the fuel lid lock with motor assembly.

Click here

(b) Inspect the fuel lid lock with motor assembly (motor operation).

Click here

NG

REPLACE FUEL LID LOCK WITH MOTOR ASSEMBLY

OK

6.

CHECK HARNESS AND CONNECTOR (INSTRUMENT PANEL JUNCTION BLOCK ASSEMBLY - BATTERY)

(a) Disconnect the 3C instrument panel junction block assembly connector.

(b) Measure the voltage according to the value(s) in the table below.

Standard Voltage:

Tester Connection

Condition

Specified Condition

3C-7 - Body ground

Always

11 to 14 V

3C-30 - Body ground

Always

11 to 14 V

*a

Front view of wire harness connector

(to Instrument Panel Junction Block Assembly)

NG

REPAIR OR REPLACE HARNESS OR CONNECTOR

OK

7.

CHECK HARNESS AND CONNECTOR (INSTRUMENT PANEL JUNCTION BLOCK ASSEMBLY - MAIN BODY ECU (MULTIPLEX NETWORK BODY ECU))

(a) Disconnect the 3A instrument panel junction block assembly connector.

(b) Disconnect the K51 main body ECU (multiplex network body ECU) connector.

(c) Measure the resistance according to the value(s) in the table below.

Standard Resistance:

Tester Connection

Condition

Specified Condition

3A-19 - K51-24 (FUEL)

Always

Below 1 Ω

3A-19 or K51-24 (FUEL) - Body ground

Always

10 kΩ or higher

NG

REPAIR OR REPLACE HARNESS OR CONNECTOR

OK

8.

CHECK HARNESS AND CONNECTOR (INSTRUMENT PANEL JUNCTION BLOCK ASSEMBLY - FUEL LID LOCK WITH MOTOR ASSEMBLY)

(a) Disconnect the 3D instrument panel junction block assembly connector.

(b) Measure the resistance according to the value(s) in the table below.

Standard Resistance:

Tester Connection

Condition

Specified Condition

3D-28 - W4-1 (B)

Always

Below 1 Ω

3D-28 or W4-1 (B) - Body ground

Always

10 kΩ or higher

NG

REPAIR OR REPLACE HARNESS OR CONNECTOR

OK

9.

REPLACE INSTRUMENT PANEL JUNCTION BLOCK ASSEMBLY

(a) Replace the instrument panel junction block assembly.

Click here

NEXT

10.

CHECK FUEL LID OPEN OPERATION

(a) Check that the fuel lid can be opened.

Click here

OK:

The fuel lid can be opened.

OK

END (INSTRUMENT PANEL JUNCTION BLOCK ASSEMBLY WAS DEFECTIVE)

NG

REPLACE MAIN BODY ECU (MULTIPLEX NETWORK BODY ECU)

    READ NEXT:

     Hood

     Components

    COMPONENTS ILLUSTRATION *1 HOOD INSULATOR *2 HOOD STAY BRACKET RH *3 HOOD STAY HOLDER *4 HOOD SUPPORT ASSEMBLY *5 HOOD TO RADIATOR SUPPORT SEAL

     On-vehicle Inspection

    ON-VEHICLE INSPECTION PROCEDURE 1. INSPECT HOOD SUB-ASSEMBLY (a) Check that the clearance measurements of areas a through e are within each standard range. Standard Clearance Area Meas

    SEE MORE:

     Main Microcomputer in Front Radar Sensor Calibration/Parameter Memory Failure (C1A8C46,C1A8D1C,C1A9000,C1A9100)

    DESCRIPTION When an internal malfunction is detected in the millimeter wave radar sensor assembly, a DTC is stored. DTC No. Detection Item DTC Detection Condition Trouble Area C1A8C46 Main Microcomputer in Front Radar Sensor Calibration/Parameter Memory Failure When th

     Dynamic radar cruise control with full-speed range

    Summary of functions In vehicle-to-vehicle distance control mode, the vehicle automatically accelerates, decelerates and stops to match the speed changes of the preceding vehicle even if the accelerator pedal is not depressed. In constant speed control mode, the vehicle runs at a fixed speed.

    © 2023-2026 Copyright www.tocamry.com