Toyota Camry owners & service manuals

Toyota Camry (XV70): Luggage Compartment Door Opener does not Operate

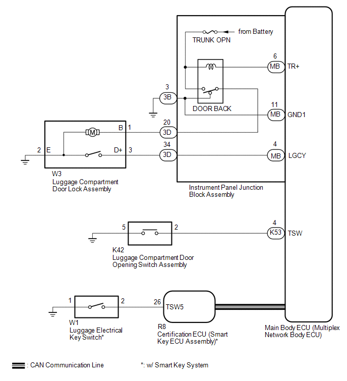
DESCRIPTION

The main body ECU (multiplex network body ECU) receives switch signals from the luggage compartment door opening switch assembly and operates the luggage compartment door lock assembly to open the luggage compartment door.

WIRING DIAGRAM

CAUTION / NOTICE / HINT

NOTICE:

  • The luggage compartment door opener system uses the CAN communication system. First, confirm that there is no malfunction in the CAN communication system. Refer to the How to Proceed with Troubleshooting procedure.

    Click here

  • Before replacing the main body ECU (multiplex network body ECU) or certification ECU (smart key ECU assembly)*, refer to Registration.

    Click here

    • *: w/ Smart Key System

PROCEDURE

1.

CHECK POWER DOOR LOCK CONTROL SYSTEM

(a) Check power door lock control system operation.

Click here

OK:

Power door lock control system is normal.

NG

GO TO POWER DOOR LOCK CONTROL SYSTEM

OK

2.

CHECK WIRELESS DOOR LOCK CONTROL SYSTEM

(a) Check wireless door lock control system operation.

w/ Smart Key System: Click here

w/o Smart Key System: Click here

OK:

Wireless door lock control system is normal.

Result

Proceed to

OK

A

NG (w/ Smart Key System)

B

NG (w/o Smart Key System)

C

B

GO TO WIRELESS DOOR LOCK CONTROL SYSTEM (w/ Smart Key System)

C

GO TO WIRELESS DOOR LOCK CONTROL SYSTEM (w/o Smart Key System)

A

3.

PERFORM ACTIVE TEST USING TECHSTREAM (TRUNK AND BACK-DOOR OPEN)

(a) Connect the Techstream to the DLC3.

(b) Turn the ignition switch to ON.

(c) Turn the Techstream on.

(d) Enter the following menus: Body Electrical / Main Body / Active Test.

(e) Perform the Active Test according to the display on the Techstream.

Body Electrical > Main Body > Active Test

Tester Display

Measurement Item

Control Range

Diagnostic Note

Trunk and Back-Door Open

Operate luggage compartment door lock assembly latch release

OFF or ON

-

Body Electrical > Main Body > Active Test

Tester Display

Trunk and Back-Door Open

OK:

Luggage compartment door lock assembly latch release motor operates normally.

NG

GO TO STEP 9

OK

4.

READ VALUE USING TECHSTREAM (TRUNK/BDOOR OPEN SW, LUGGAGE COURTESY SW)

(a) Enter the following menus: Body Electrical / Main Body / Data List.

(b) Read the Data List according to the display on the Techstream.

Body Electrical > Main Body > Data List

Tester Display

Measurement Item

Range

Normal Condition

Diagnostic Note

Trunk/BDoor Open SW

Luggage compartment door opening switch signal

OFF or ON

OFF: Luggage compartment door opening switch off

ON: Luggage compartment door opening switch on

-

Luggage Courtesy SW

Luggage compartment door courtesy light switch signal

OFF or ON

OFF: Luggage compartment door courtesy light switch off

ON: Luggage compartment door courtesy light switch on

-

Body Electrical > Main Body > Data List

Tester Display

Trunk/BDoor Open SW

Luggage Courtesy SW

OK:

The Techstream display changes correctly in response to the ON/OFF operation of the luggage compartment door opening switch or luggage compartment door courtesy light switch.

Result

Proceed to

OK (w/o Smart Key System)

A

OK (w/ Smart Key System)

B

NG (Trunk/BDoor Open SW)

C

NG (Luggage Courtesy SW)

D

A

REPLACE MAIN BODY ECU (MULTIPLEX NETWORK BODY ECU)

C

GO TO STEP 7

D

GO TO LIGHTING SYSTEM

B

5.

READ VALUE USING TECHSTREAM (TR/B-DOOR UNLOCK SW)

(a) Enter the following menus: Body Electrical / Smart Key / Data List.

(b) Read the Data List according to the display on the Techstream.

Body Electrical > Smart Key > Data List

Tester Display

Measurement Item

Range

Normal Condition

Diagnostic Note

Tr/B-Door Unlock SW

Luggage electrical key switch

OFF or ON

OFF: Luggage electrical key switch not pressed

ON: Luggage electrical key switch pressed

When this item is abnormal, there is a malfunction in the luggage electrical key switch or related parts.

OK:

The Techstream display changes correctly in response to the operation of the luggage electrical key switch.

NG

GO TO SMART KEY SYSTEM (for Entry Function)

OK

6.

CHECK MAIN BODY ECU (MULTIPLEX NETWORK BODY ECU)

(a) Temporarily replace the main body ECU (multiplex network body ECU) with a new or known good one.

Click here

(b) Check that the luggage door opener system is normal.

OK

END (MAIN BODY ECU (MULTIPLEX NETWORK BODY ECU) WAS DEFECTIVE)

NG

REPLACE CERTIFICATION ECU (SMART KEY ECU ASSEMBLY)

7.

INSPECT LUGGAGE COMPARTMENT DOOR OPENING SWITCH ASSEMBLY

(a) Remove the luggage compartment door opening switch assembly.

Click here

(b) Inspect the luggage compartment door opening switch assembly.

Click here

NG

REPLACE LUGGAGE COMPARTMENT DOOR OPENING SWITCH ASSEMBLY

OK

8.

CHECK HARNESS AND CONNECTOR (MAIN BODY ECU (MULTIPLEX NETWORK BODY ECU) - LUGGAGE COMPARTMENT DOOR OPENING SWITCH ASSEMBLY AND BODY GROUND)

(a) Disconnect the K53 main body ECU (multiplex network body ECU) connector.

(b) Measure the resistance according to the value(s) in the table below.

Standard Resistance:

Tester Connection

Condition

Specified Condition

K53-4 (TSW) - K42-2

Always

Below 1 Ω

K42-5 - Body ground

Always

Below 1 Ω

K53-4 (TSW) or K42-5 - Body ground

Always

10 kΩ or higher

OK

REPLACE MAIN BODY ECU (MULTIPLEX NETWORK BODY ECU)

NG

REPAIR OR REPLACE HARNESS OR CONNECTOR

9.

INSPECT LUGGAGE COMPARTMENT DOOR LOCK ASSEMBLY

(a) Remove the luggage compartment door lock assembly.

Click here

(b) Inspect the luggage compartment door lock assembly.

Click here

NG

REPLACE LUGGAGE COMPARTMENT DOOR LOCK ASSEMBLY

OK

10.

CHECK HARNESS AND CONNECTOR (LUGGAGE COMPARTMENT DOOR LOCK ASSEMBLY - INSTRUMENT PANEL JUNCTION BLOCK ASSEMBLY AND BODY GROUND)

(a) Disconnect the 3D instrument panel junction block assembly connector.

(b) Measure the resistance according to the value(s) in the table below.

Standard Resistance:

Tester Connection

Condition

Specified Condition

W3-3 (D+) - 3D-34

Always

Below 1 Ω

W3-1 (B) - 3D-20

Always

Below 1 Ω

W3-2 (E) - Body ground

Always

Below 1 Ω

W3-3 (D+) or 3D-34 - Body ground

Always

10 kΩ or higher

W3-1 (B) or 3D-20 - Body ground

Always

10 kΩ or higher

NG

REPAIR OR REPLACE HARNESS OR CONNECTOR

OK

11.

CHECK INSTRUMENT PANEL JUNCTION BLOCK ASSEMBLY

(a) Temporarily replace the instrument panel junction block assembly with a new or known good one.

Click here

(b) Check that the luggage door opener system is normal.

OK

END (INSTRUMENT PANEL JUNCTION BLOCK ASSEMBLY WAS DEFECTIVE)

NG

REPLACE MAIN BODY ECU (MULTIPLEX NETWORK BODY ECU)

    READ NEXT:

     Luggage Compartment Door Support

     Components

    COMPONENTS ILLUSTRATION *1 LUGGAGE COMPARTMENT DOOR STRIKER COVER *2 LUGGAGE COMPARTMENT TRIM INNER COVER LH *3 LUGGAGE COMPARTMENT TRIM INNER COVER RH *4 N

     Removal

    REMOVAL CAUTION / NOTICE / HINT CAUTION: If the luggage compartment door support assembly is removed, the luggage compartment door will slam shut. Make sure to support the luggage compartment door

    SEE MORE:

     2gr-fks Drive Belt

    ComponentsCOMPONENTS ILLUSTRATION *1 FRONT FENDER APRON SEAL RH *2 V-RIBBED BELT RemovalREMOVAL PROCEDURE 1. REMOVE FRONT WHEEL RH Click here 2. REMOVE FRONT FENDER APRON SEAL RH Click here 3. REMOVE V-RIBBED BELT (a) Release the V-ribbed belt tension

     Tire Pressure Monitor Receiver Communication Stop (B1247)

    DESCRIPTION The main body ECU (multiplex network body ECU) and tire pressure warning ECU and receiver communicate by direct line. If a malfunction occurs in this communication signal, B1247 is output by the main body ECU (multiplex network body ECU). DTC No. Detection Item DTC Detection

    © 2023-2026 Copyright www.tocamry.com