Toyota Camry owners & service manuals

Toyota Camry (XV70): Relay

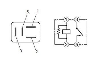
On-vehicle Inspection

ON-VEHICLE INSPECTION

PROCEDURE

1. INSPECT H-LP LH RELAY

(a) Measure the resistance according to the value(s) in the table below.

Standard Resistance:

Tester Connection

Condition

Specified Condition

3 - 5

Voltage not applied between terminals 1 and 2

10 kΩ or higher

3 - 5

Voltage applied between terminals 1 and 2

Below 1 Ω

If the result is not as specified, replace the H-LP LH relay.

2. INSPECT H-LP RH RELAY

(a) Measure the resistance according to the value(s) in the table below.

Standard Resistance:

Tester Connection

Condition

Specified Condition

3 - 5

Voltage not applied between terminals 1 and 2

10 kΩ or higher

3 - 5

Voltage applied between terminals 1 and 2

Below 1 Ω

If the result is not as specified, replace the H-LP RH relay.

3. INSPECT DIM RELAY

(a) Measure the resistance according to the value(s) in the table below.

Standard Resistance:

Tester Connection

Condition

Specified Condition

3 - 5

Voltage not applied between terminals 1 and 2

10 kΩ or higher

3 - 5

Voltage applied between terminals 1 and 2

Below 1 Ω

If the result is not as specified, replace the DIM relay.

4. INSPECT DRL RELAY (for LED Type Turn Signal Light)

(a) Measure the resistance according to the value(s) in the table below.

Standard Resistance:

Tester Connection

Condition

Specified Condition

3 - 5

Voltage not applied between terminals 1 and 2

10 kΩ or higher

3 - 5

Voltage applied between terminals 1 and 2

Below 1 Ω

If the result is not as specified, replace the DRL relay.

    READ NEXT:

     Side Turn Signal Light Assembly

     Components

    COMPONENTS ILLUSTRATION *A for Type A *B w/o Panoramic View Monitor System *C w/ Panoramic View Monitor System - - *1 OUTER MIRROR *2 OU

     Removal

    REMOVAL CAUTION / NOTICE / HINT The necessary procedures (adjustment, calibration, initialization, or registration) that must be performed after parts are removed and installed, or replaced during

    SEE MORE:

     Front Door Opening Trim Weatherstrip

    ComponentsCOMPONENTS ILLUSTRATION *1 COWL SIDE TRIM SUB-ASSEMBLY *2 FRONT DOOR OPENING TRIM WEATHERSTRIP *3 FRONT DOOR SCUFF PLATE - - RemovalREMOVAL CAUTION / NOTICE / HINT HINT: Use the same procedure for the RH side and LH side. The fol

     Steering Pad Switch Circuit

    DESCRIPTION The forward recognition camera receives LTA switch signals from the steering pad switch assembly. WIRING DIAGRAM for A25A-FKS for 2GR-FKS CAUTION / NOTICE / HINT NOTICE: The vehicle is equipped with a Supplemental Restraint System (SRS) which includes components such as airbags.

    © 2023-2026 Copyright www.tocamry.com