Toyota Camry owners & service manuals

Toyota Camry (XV70): Turn Signal Switch Circuit

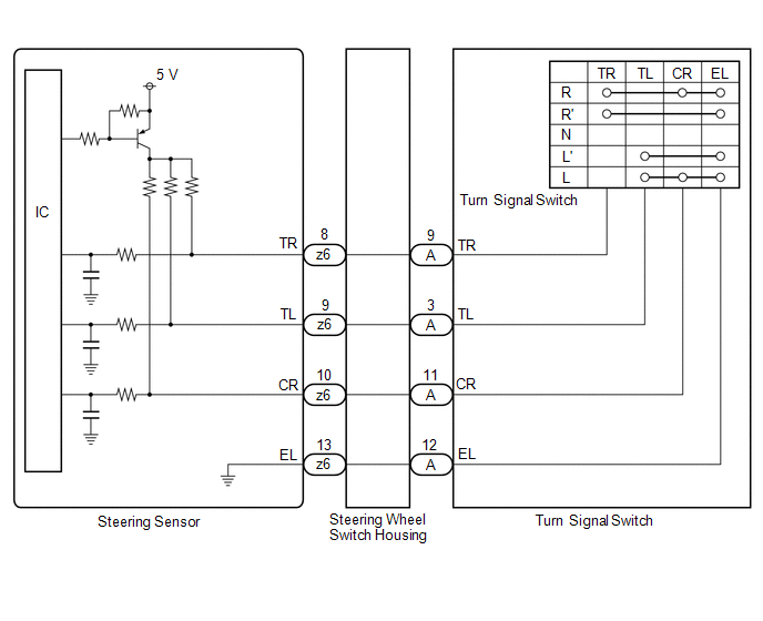
DESCRIPTION

The steering sensor receives the turn signal switch information and controls the turn signal lights.

WIRING DIAGRAM

PROCEDURE

1.

READ VALUE USING TECHSTREAM

(a) Connect the Techstream to the DLC3.

(b) Turn the ignition switch to ON.

(c) Turn the Techstream on.

(d) Enter the following menus: Chassis / Steering Angle Sensor / Data List.

(e) Read the Data List according to the display on the Techstream.

Chassis > Steering Angle Sensor > Data List

Tester Display

Measurement Item

Range

Normal Condition

Diagnostic Note

Turn Signal Switch (Right)

Turn signal switch (right turn position) signal

OFF or ON

OFF: Turn signal switch not in right turn position

ON: Turn signal switch in right turn position

-

Turn Signal Switch (Left)

Turn signal switch (left turn position) signal

OFF or ON

OFF: Turn signal switch not in left turn position

ON: Turn signal switch in left turn position

-

Cornering Light Switch

Turn signal switch (full turn) signal

OFF or ON

OFF: Turn signal switch not in left or right turn position

ON: Turn signal switch in left or right full turn position

-

Chassis > Steering Angle Sensor > Data List

Tester Display

Turn Signal Switch (Right)

Turn Signal Switch (Left)

Cornering Light Switch

OK:

Normal conditions listed above are displayed.

OK

PROCEED TO NEXT SUSPECTED AREA SHOWN IN PROBLEM SYMPTOMS TABLE

NG

2.

INSPECT TURN SIGNAL SWITCH

(a) Remove the turn signal switch.

Click here

(b) Inspect the turn signal switch.

Click here

NG

REPLACE TURN SIGNAL SWITCH

OK

3.

INSPECT STEERING WHEEL SWITCH HOUSING

(a) Remove the steering wheel switch housing.

Click here

(b) Inspect the steering wheel switch housing.

Click here

OK

REPLACE STEERING SENSOR

NG

REPLACE STEERING WHEEL SWITCH HOUSING

    READ NEXT:

     Automatic High Beam Switch Indicator does not Come ON

    DESCRIPTION When the automatic high beam system is on, the main body ECU (multiplex network body ECU) illuminates the auto high beam switch indicator. WIRING DIAGRAM CAUTION / NOTICE / HINT NOT

     Automatic High Beam System does not Operate or Operation Indicator does not Illuminate

    DESCRIPTION The main body ECU (multiplex network body ECU) controls the automatic high beam system based on signals received from the forward recognition camera. WIRING DIAGRAM CAUTION / NOTICE /

     Headlight Dimmer Switch Circuit

    DESCRIPTION The steering sensor receives the following switch information: Light control switch in DRL OFF*, tail, head or AUTO position Dimmer switch in high, low or high flash (pass) pos

    SEE MORE:

     Multi-axis Acceleration Sensor Module "A" Circuit Voltage Out of Range (C05201C)

    DESCRIPTION The airbag sensor assembly has a built-in yaw rate and acceleration sensor and detects the vehicle condition. When the skid control ECU (brake actuator assembly) detects an abnormal acceleration sensor (airbag sensor assembly) signal, or the control value calculated using the accelerat

     Problem Symptoms Table

    PROBLEM SYMPTOMS TABLE HINT: Use the table below to help determine the cause of problem symptoms. If multiple suspected areas are listed, the potential causes of the symptoms are listed in order of probability in the "Suspected Area" column of the table. Check each symptom by checking the s

    © 2023-2026 Copyright www.tocamry.com