Toyota Camry owners & service manuals

Toyota Camry (XV70): Relay

On-vehicle Inspection

ON-VEHICLE INSPECTION

PROCEDURE

1. INSPECT HORN RELAY

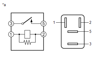
*a

Component without harness connected

(HORN Relay)

(a) Measure the resistance according to the value(s) in the table below.

Standard Resistance:

Tester Connection

Condition

Specified Condition

3 - 5

Battery voltage not applied between terminals 1 and 2

10 kΩ or higher

3 - 5

Battery voltage applied between terminals 1 and 2

Below 1 Ω

If the result is not as specified, replace the HORN relay.

    READ NEXT:

     Lighting (ext)

     Automatic High Beam Main Switch

     Components

    COMPONENTS ILLUSTRATION *1 AUTO HIGH BEAM SWITCH *2 COWL SIDE TRIM SUB-ASSEMBLY LH *3 FRONT DOOR OPENING TRIM WEATHERSTRIP LH *4 FRONT DOOR SCUFF PLATE LH

    SEE MORE:

     Sending Malfunction (Navigation to APGS) (U0073,U0100,U0129,U0140,U0155,U0164,U0198,U023B,U0265,U1110)

    DESCRIPTION These DTCs are stored when a malfunction occurs in the CAN communication circuit. DTC No. Detection Item DTC Detection Condition Trouble Area U0073 Sending Malfunction (Navigation to APGS) CAN bus connection error CAN communication system U010

     Toyota Safety Sense 2.5+

    The Toyota Safety Sense 2.5+ consists of the following drive assist systems and contributes to a safe and comfortable driving experience: Driving assist system ◆ PCS (Pre-Collision System) ◆ LTA (Lane Tracing Assist) ◆ AHB (Automatic High Beam) ◆ RSA (Road Sign Assist) (if equipped)

    © 2023-2026 Copyright www.tocamry.com