Toyota Camry owners & service manuals

Toyota Camry (XV70): Taillight Relay Circuit

DESCRIPTION

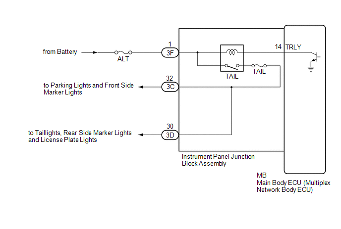
The main body ECU (multiplex network body ECU) controls the operation of the TAIL relay.

WIRING DIAGRAM

CAUTION / NOTICE / HINT

NOTICE:

  • Inspect the fuses for circuits related to this system before performing the following procedure.
  • Before replacing the main body ECU (multiplex network body ECU), refer to Registration.*

    Click here

    • *: w/ Smart Key System

PROCEDURE

1.

PERFORM ACTIVE TEST USING TECHSTREAM

(a) Connect the Techstream to the DLC3.

(b) Turn the ignition switch to ON.

(c) Turn the Techstream on.

(d) Enter the following menus: Body Electrical / Main Body / Active Test.

(e) Perform the Active Test according to the display on the Techstream.

Body Electrical > Main Body > Active Test

Tester Display

Measurement Item

Control Range

Diagnostic Note

Taillight Relay

Taillight relay

OFF or ON

-

Body Electrical > Main Body > Active Test

Tester Display

Taillight Relay

OK:

Taillights illuminate.

OK

PROCEED TO NEXT SUSPECTED AREA SHOWN IN PROBLEM SYMPTOMS TABLE

NG

2.

CHECK HARNESS AND CONNECTOR (POWER SOURCE - INSTRUMENT PANEL JUNCTION BLOCK ASSEMBLY)

(a) Disconnect the 3F instrument panel junction block assembly connector.

(b) Measure the voltage according to the value(s) in the table below.

Standard Voltage:

Tester Connection

Condition

Specified Condition

3F-1 - Body ground

Always

11 to 14 V

NG

REPAIR OR REPLACE HARNESS OR CONNECTOR

OK

3.

INSPECT INSTRUMENT PANEL JUNCTION BLOCK ASSEMBLY

*a

Component without harness connected

(Instrument Panel Junction Block Assembly)

-

-

(a) Remove the instrument panel junction block assembly.

Click here

(b) Remove the main body ECU (multiplex network body ECU) from the instrument panel junction block assembly.

(c) Connect a positive (+) lead from the battery to terminal 3F-1.

(d) Connect a negative (-) lead from the battery to terminal MB-14 (TRLY).

(e) Measure the voltage according to the value(s) in the table below.

Standard Voltage:

Tester Connection

Condition

Specified Condition

3C-32 - Battery negative (-) terminal

Always

11 to 14 V

3D-30 - Battery negative (-) terminal

Always

11 to 14 V

OK

REPLACE MAIN BODY ECU (MULTIPLEX NETWORK BODY ECU)

NG

REPLACE INSTRUMENT PANEL JUNCTION BLOCK ASSEMBLY

    READ NEXT:

     High Beam Headlight Circuit

    DESCRIPTION The main body ECU (multiplex network body ECU) controls the high beam headlights. WIRING DIAGRAM CAUTION / NOTICE / HINT NOTICE: Inspect the fuses for circuits related to this

     Rear Combination Light Assembly

     Components

    COMPONENTS ILLUSTRATION *A for LH Side *B for RH Side *1 LUGGAGE COMPARTMENT DOOR STRIKER COVER *2 LUGGAGE COMPARTMENT TRIM INNER COVER LH *3 LUG

    SEE MORE:

     Utility

    UTILITY Front Beam Axis Adjustment HINT: Front Beam Axis Adjustment is used to calibrate the beam axis of millimeter wave radar sensor assembly. (a) Perform Front Beam Axis Adjustment according to the display on the Techstream. for Type A Body Electrical > Front Radar Sensor > Utility

     Stereo Component Amplifier Malfunction (B15A3)

    DESCRIPTION This DTC is stored when a malfunction occurs in the stereo component amplifier assembly. DTC No. Detection Item DTC Detection Condition Trouble Area B15A3 Stereo Component Amplifier Malfunction When any of the following conditions is met: Internal

    © 2023-2026 Copyright www.tocamry.com